صفحه اصلی > محصولات > مهره > پیچ دستی مهره > مهره نورد نیکل مشکی
        مهره نورد نیکل مشکی
        • مهره نورد نیکل مشکیمهره نورد نیکل مشکی
        • مهره نورد نیکل مشکیمهره نورد نیکل مشکی

        مهره نورد نیکل مشکی

        اجزای مهره نورد آبکاری نیکل سیاه بادوام را مستقیماً تهیه کنید. XIAO GUO به عنوان یک کارخانه مهره نورد آبکاری نیکل سیاه در چین، مهره هایی را با بلبرینگ های چرخشی برای حداقل اصطکاک، عمر طولانی و ظرفیت بار بالا تولید می کند.

        ارسال استعلام

        توضیحات محصول

        متداول ترین انتخاب مهره نورد نیکل سیاه ساخته شده از فولاد کربنی است. برای کارهای معمولی ورق فلزی، مانند مونتاژ مبلمان یا تعمیر تجهیزات کوچک، به اندازه کافی قوی است. اکثر فولادهای کربنی دارای روکش روی برای جلوگیری از زنگ زدگی هستند که برای استفاده در داخل ساختمان یا نقاط پوشیده شده در فضای باز به خوبی کار می کند.

        برای محیط های مرطوب یا استفاده در فضای باز، فولاد ضد زنگ گزینه بهتری است. در برابر رطوبت و خوردگی، حتی در مناطق کمی نمکی نزدیک ساحل مقاومت می کند. ما همچنین نسخه‌های آلومینیومی را برای نیازهای سبک داریم - که بیشتر در الکترونیک استفاده می‌شود، جایی که قطعات سنگین ممکن است بر عملکرد دستگاه تأثیر بگذارد.

        همه مواد مطابق با استانداردهای اساسی صنعت هستند، بدون درمان غیر ضروری اضافی. فولاد کربنی را برای کارهای روزانه، فولاد ضد زنگ برای مکان های مرطوب و آلومینیوم را برای کارهای سبک انتخاب کنید. گزینه های متریال آبکاری نیکل مشکی مهره نورد اکثر نیازهای مونتاژی رایج را پوشش می دهد، بدون افزودنی های فانتزی فقط انتخاب های عملی.


        درمان سطح محصول

        روکش روی رایج ترین گزینه است. این یک فرآیند اساسی است که به جلوگیری از زنگ زدگی کمک می کند، برای استفاده در فضای داخلی یا نقاط پوشیده شده در فضای باز خوب است. ضخامت اضافی اضافه نمی کند، بنابراین تأثیری بر نحوه قرار گرفتن مهره در سوراخ ورق فلزی در هنگام نصب ندارد. اکثر آجیل های روزانه با این درمان عرضه می شوند.

        برای مقاومت در برابر خوردگی بهتر، گالوانیزه گرم وجود دارد. ضخیم‌تر از روکش روی معمولی است، بنابراین در مناطق مرطوب یا مکان‌هایی که رطوبت کمی دارند، مانند کارگاه‌های نزدیک ساحل، مدت بیشتری می‌ماند. برای مهره‌های فولادی ضد زنگ، ما عملیات غیرفعال‌سازی را انجام می‌دهیم — این فقط توانایی طبیعی ضد زنگ آن‌ها را بدون تغییر ظاهرشان افزایش می‌دهد.

        در اینجا بدون پوشش های فانتزی، فقط پوشش های کاربردی. روکش روی را برای نیازهای استاندارد، گالوانیزه گرم برای محیط‌های مرطوب و غیرفعال کردن برای مدل‌های فولادی ضد زنگ انتخاب کنید. درمان‌های سطحی مهره نورد نیکل مشکی همه در مورد محافظت اولیه هستند، که با اکثر سناریوهای مونتاژ ورق فلز مطابقت دارند.

        Black Nickel Plating Rolling Nut

        جلسه پرسش و پاسخ

        س: آیا می توانم آن را بدون ابزارهای حرفه ای نصب کنم؟

        پاسخ: خیر، شما به یک ابزار پرس اولیه یا یک ماشین پرچ کوچک نیاز دارید. چکش زدن دستی توصیه نمی شود. به نخ های مهره آسیب می رساند یا آن را شل می کند. برای دسته های کوچک، یک ابزار پرس دستی دستی کار می کند. برای سفارشات بزرگ، دستگاه پرس اتوماتیک کارآمدتر است. ما همچنین می‌توانیم مدل‌های ابزار متناسب با محصولات ما را توصیه کنیم، اگر هنوز مدل مناسب را ندارید.  

        Black Nickel Plating Rolling Nut



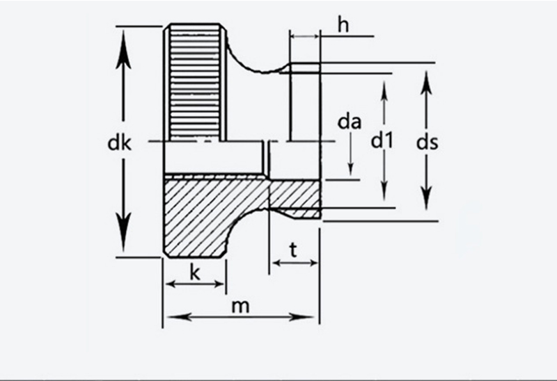
        اندازه زمین قطر بیرونی ارتفاع k ds دا d1 T h
        حداکثر دقیقه حداکثر دقیقه حداکثر دقیقه حداکثر دقیقه حداکثر
        M3 0.5  11  10.7  6.64  2.8  5.7  3.5  3.2  5.2  1.2 
        M4 0.7  12  11.7  7.64  7.64  4.5  4.2  6.4  2.5  1.5 
        M5 0.8  16  15.7  10  96.6  10  9.64  5.5  5.5 
        M6 20  19.7  12  11.6  12  11.6  6.56  6.2  11  2.5 
        M8 1.25  24  23.7  16  15.6  16  15.6  8.86  8.5  13 
        M10 1.5 30 29.7 20 19.5 8 20 19.5 10.9 10.5 17.2 6.5 3.8
        تگ های داغ: مهره نورد نیکل سیاه، چین، تولید کننده، تامین کننده، کارخانه
        دسته بندی مرتبط
        ارسال استعلام
        لطفاً درخواست خود را در فرم زیر ارائه دهید. ما ظرف 24 ساعت به شما پاسخ خواهیم داد.
        X
        ما از کوکی ها استفاده می کنیم تا تجربه مرور بهتری به شما ارائه دهیم، ترافیک سایت را تجزیه و تحلیل کنیم و محتوا را شخصی سازی کنیم. با استفاده از این سایت، شما با استفاده ما از کوکی ها موافقت می کنید. سیاست حفظ حریم خصوصی
        رد کردن قبول کنید