آجیل های مهر و موم شده از جنس استیل کربن نوعی اتصال دهنده است که برای اتصال صفحات نازک یا فلزات ورق استفاده می شود. آنها از فولاد کربن ساخته شده اند ، برای افزایش سختی و خاموش و خاموش ، و سطح آن گالوانیزه شده یا در غیر این صورت مقاوم در برابر خوردگی است.
مهره مهر و موم شده بسیار ساده است ، می توانید از ابزارهای پنوماتیک یا هیدرولیک استاندارد استفاده کنید. در اینجا نحوه عملکرد آن آورده شده است: ابتدا مهره را درون یک سوراخ از پیش قرار دهید ، سپس از یک پانچ استفاده کنید و برای اعمال فشار استفاده کنید. قالب ورق را در اطراف یقه مهره مهره فشار می دهد و در یک مرحله سریع یک قفل مکانیکی جامد را تشکیل می دهد.
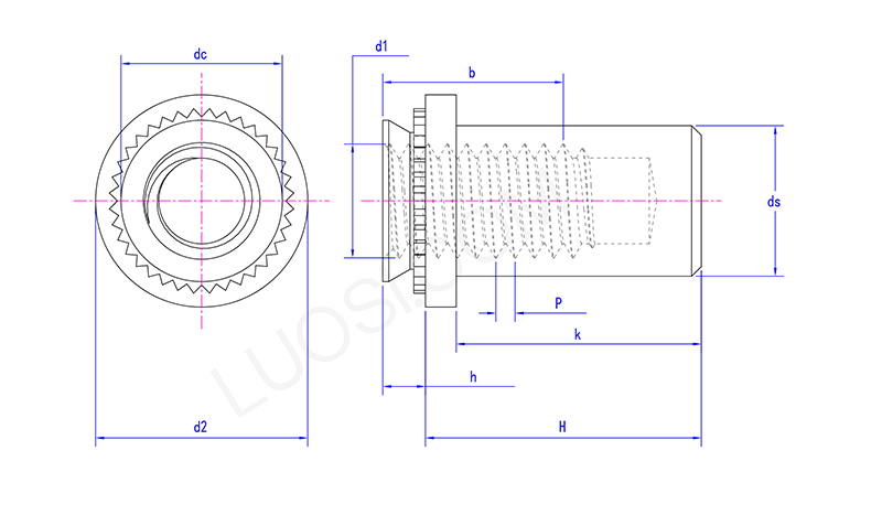
| روز | m3-1 | m3-2 | m4-1 | m4-2 | m5-1 | m5-2 | m6-1 | m6-2 |
| P | 0.5 | 0.5 | 0.7 | 0.7 | 0.8 | 0.8 | 1 | 1 |
| ds max | 3.84 | 3.84 | 5.2 | 5.2 | 6.35 | 6.35 | 8.75 | 8.75 |
| DC Max | 4.2 | 4.2 | 5.38 | 5.38 | 6.33 | 6.33 | 8.73 | 8.73 |
| ب دقیقه | 5.3 | 5.3 | 7.1 | 7.1 | 7.1 | 7.1 | 7.8 | 7.8 |
| حاضه حداکثر | 0.91 | 1.38 | 0.97 | 1.38 | 0.97 | 1.38 | 1.38 | 1.38 |
| حاضه حداکثر | 9.85 | 9.85 | 11.45 | 11.45 | 11.45 | 11.45 | 14.55 | 14.55 |
| ساعت | 9.35 | 9.35 | 10.95 | 10.95 | 10.95 | 10.95 | 14.05 | 14.05 |
| k حداکثر | 8.5 | 8.5 | 9.8 | 9.8 | 9.8 | 9.8 | 12.7 | 12.7 |
| D2 MAX | 6.6 | 6.6 | 8.2 | 8.2 | 9 | 9 | 11.35 | 11.35 |
| D2 دقیقه | 6.1 | 6.1 | 7.7 | 7.7 | 8.5 | 8.5 | 10.85 | 10.85 |
| D1 | m3 | m3 | m4 | m4 | m5 | m5 | m6 | m6 |
آجیل های مهر و موم شده از فولاد کربن با اندازه گیری های کلیدی تعریف می شوند: اندازه نخ (مانند M4 ، M5 ، M6 یا 1/4 "-20) ، قطر یقه کلینچ ، ارتفاع کل ، ابعاد واشر آب بندی و دامنه ضخامت ورق که با آنها کار می کنند (هر دو دقیقه و حداکثر). شما می توانید آنها را در متریک استاندارد یا امپریال قرار دهید.
استحکام آنها (چقدر خوب مقاومت می کنند که از بیرون رانده یا پیچ خورده) در برابر استانداردهای صنعت آزمایش می شوند (فکر کنید ISO ، DIN ، IFI). انتخاب اندازه مناسب کار بزرگی است ، اطمینان می دهد که مهر و موم نگه داشته شده و مهره به اندازه کافی برای کار است.
برای نصب مهره مهر و موم شده با فولاد کربن ، به یک ابزار تخصصی Clinching نیاز دارید و مجموعه ای از مرگ که دقیقاً با اندازه مهره مطابقت دارد. ابتدا مهره را درون یک سوراخ از پیش در ورق قرار دهید. سپس این ابزار از فشار کنترل شده استفاده می شود ، که باعث می شود خلبان مهره و کنگره در فلز اطراف غرق شود. این فرآیند تشکیل سرد ، مهره استیل ضدزنگ را برای خوب قفل می کند و در عین حال ، واشر مهر و موم داخلی را در مقابل پانل خرد می کند. اینگونه است که مهر و موم ضد نشت را ایجاد می کند که این آجیل ها را منحصر به فرد می کند.
