صفحه اصلی > محصولات > پیچیدن > پیچ شیاردار متقاطع > پیچ های سر تابه ای متقاطع با یقه
        پیچ های سر تابه ای متقاطع با یقه
        • پیچ های سر تابه ای متقاطع با یقهپیچ های سر تابه ای متقاطع با یقه
        • پیچ های سر تابه ای متقاطع با یقهپیچ های سر تابه ای متقاطع با یقه
        • پیچ های سر تابه ای متقاطع با یقهپیچ های سر تابه ای متقاطع با یقه
        • پیچ های سر تابه ای متقاطع با یقهپیچ های سر تابه ای متقاطع با یقه

        پیچ های سر تابه ای متقاطع با یقه

        پیچ‌های سر تابه‌ای یقه‌دار دارای سر گرد با یک فرورفتگی ضربدری در وسط هستند که ظاهر خوبی دارند و احتمال گیرکردن وسایل دیگر را کاهش می‌دهند. کارخانه Xiaoguo® دارای یک سیستم کنترل کیفیت دقیق برای ارائه پیچ‌های بادوام و بدون نقص است.
        مدل:DIN 967-1994

        ارسال استعلام

        توضیحات محصول

        پیچ های سر تابه ای متقاطع با یقهاستفاده از مواد مناسب برای مشاغل خاص انواع فولاد ضد زنگ (مانند گریدهای 304/316) در مناطق مستعد زنگ زدگی قابل استفاده هستند، آنها خوردگی را بهتر مدیریت می کنند. پیچ های فولادی آلیاژی تحت عملیات حرارتی قرار می گیرند تا برای کارهای سختی که نیاز به کشش بالا دارند، محکم شوند. به چیزی سبکتر نیاز دارید؟ گزینه های آلومینیومی یا برنجی به خوبی کار می کنند و در حالی که تمیز به نظر می رسند خوب نگه می دارند.

        آنها با پوشش هایی مانند روکش روی (با سایش مبارزه می کند) یا اکسید سیاه (به رسانایی کمک می کند) عرضه می شوند. انتخاب مواد مناسب به این معنی است که این پیچ ها به مشخصات صنعتی برای محدودیت وزن، تحمل گرما و عملکرد محیطی دست می یابند. اساسا، آنها گزینه هایی برای پوشش بیشتر موقعیت ها دارند.


        دستورالعمل استفاده از محصول

        هنگام استفاده از این پیچ، ابتدا باید یک پیچ گوشتی متقاطع متناسب با اندازه آن تهیه کنید. سپس، موقعیتی را که باید قطعات را تعمیر کنید، پیدا کنید و اگر سوراخ رزوه‌داری وجود ندارد، یک سوراخ ایجاد کنید. بعد، پیچ را در سوراخ قرار دهید، پیچ گوشتی متقاطع را با شکاف متقاطع روی سر پیچ تراز کنید. پیچ گوشتی را محکم نگه دارید و آن را در جهت عقربه های ساعت بچرخانید تا پیچ سفت شود. یقه روی پیچ با سطح قطعه مطابقت دارد، بنابراین نیازی به اضافه کردن واشر اضافی ندارید. آن را خیلی محکم نچرخانید، در غیر این صورت ممکن است به نخ یا پیچ گوشتی آسیب برساند. برای تثبیت قطعات ساخته شده از چوب، پلاستیک یا فلز نازک مناسب است. استفاده از پیچ های سر تابه ای متقاطع با یقه آسان است، حتی برای افرادی که تجربه زیادی در نصب ندارند، می توانند با دنبال کردن این مراحل، عملیات را به آرامی به پایان برسانند.




        Cross recessed pan head screws with collar


        برنامه های کاربردی

        پیچ های سر تابه ای متقاطع با یقهدر بسیاری از صنایع مختلف مهم هستند. در خودروسازی، پانل‌های داخلی را نگه می‌دارند و بدون اینکه هیچ لبه‌ای بیرون بیاید، در جای خود قرار می‌دهند. شرکت‌های الکترونیکی از آن‌ها برای کنار هم قرار دادن قاب‌های دستگاه استفاده می‌کنند، چون فضا کم است، به پیچ‌های تخت نیاز دارند که فضای زیادی را اشغال نکنند. سازندگان مبلمان با این پیچ ها لولاها یا اسلایدهای کشو را وصل می کنند تا قابل توجه نباشند.

        برای تجهیزات دریایی یا علائم در فضای باز، نسخه های مقاوم در برابر زنگ زدگی ضروری هستند، آنها در برابر محیط های مرطوب یا خشن مقاومت می کنند. در سیستم‌های تهویه مطبوع، قطعات کانال را ایمن می‌کنند و در اثر لرزش‌ها شل نمی‌شوند. رشته پزشکی از فولادهای ضد زنگ استفاده می کند که می توانند برای مونتاژ تجهیزات استریل شوند. حتی برای پروژه های DIY، مانند نصب وسایل روشنایی یا قطعات فلزی تزئینی، اینهاپیچ های سر تابه ای متقاطع با یقهبه خوبی کار می کنند و نشان می دهند که چقدر برای استفاده های مختلف همه کاره هستند.

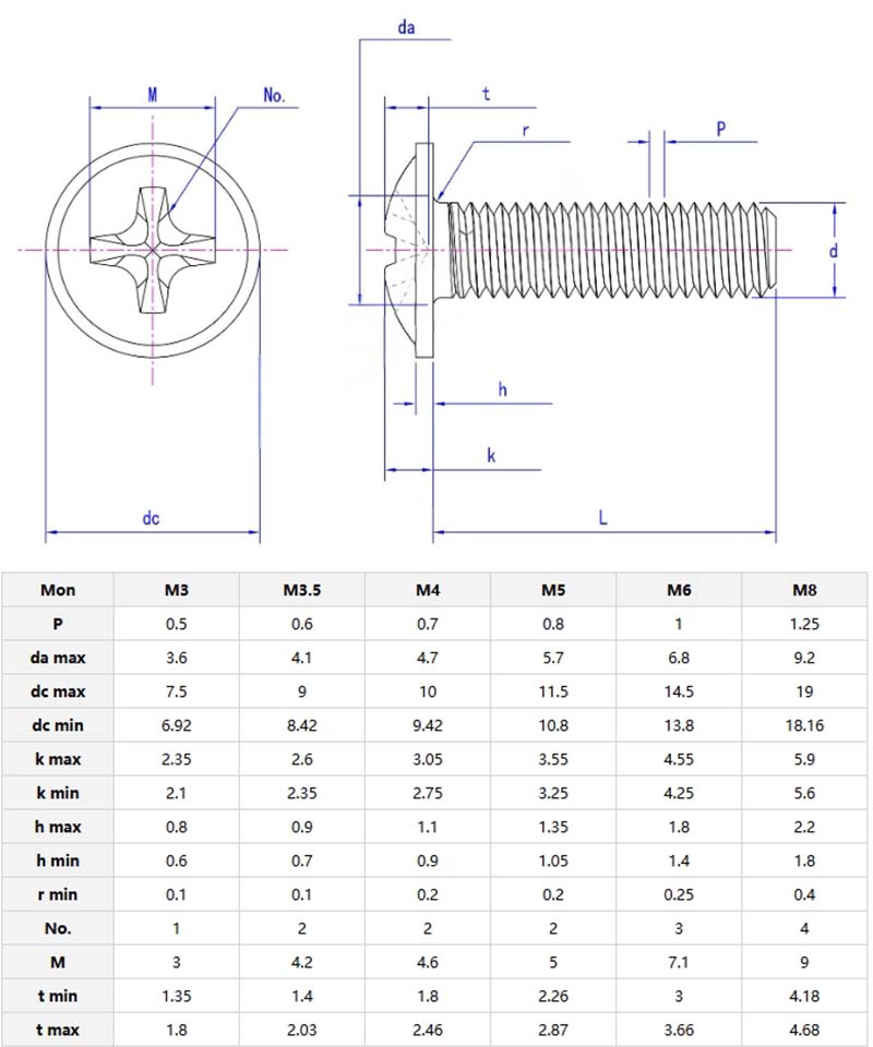
        Cross recessed pan head screws with collar parameter

        گزینه های بسته بندی

        س: چه گزینه های بسته بندی برای سفارشات عمده موجود استپیچ های سر تابه ای متقاطع با یقه?

        الف:پیچ های سر تابه ای متقاطع با یقهدر کیسه های پی وی سی یا پلی اتیلن به صورت فله ای بسته بندی می شوند، با جاروبرقی مهر و موم شده با مواد خشک کننده برای خشک نگه داشتن آنها، یا طبقه بندی شده در جعبه های پلاستیکی یا کاغذی برچسب دار. برای خطوط مونتاژ خودکار، ما در بسته بندی نوار و حلقه عرضه می شویم. هنگام حمل و نقل به خارج از کشور، ما از کارتن های قابل حمل با پوشش کاغذ ضد زنگ VCI برای محافظت از آنها در طول حمل و نقل استفاده خواهیم کرد.

        استانداردپیچ هامعمولاً در دسته‌های 1000 تا 10000 واحد ارسال می‌شود، سایر مقادیر حداقل سفارش (MOQ) بسته به مواد و اندازه متفاوت است. برای سفارش‌های بزرگ، آنها را پالت کنید تا حمل و نقل آسان‌تر شود.

        تگ های داغ: پیچ های سر تابه ای متقاطع با یقه، چین، سازنده، تامین کننده، کارخانه
        دسته بندی مرتبط
        ارسال استعلام
        لطفاً درخواست خود را در فرم زیر ارائه دهید. ما ظرف 24 ساعت به شما پاسخ خواهیم داد.
        X
        ما از کوکی ها استفاده می کنیم تا تجربه مرور بهتری به شما ارائه دهیم، ترافیک سایت را تجزیه و تحلیل کنیم و محتوا را شخصی سازی کنیم. با استفاده از این سایت، شما با استفاده ما از کوکی ها موافقت می کنید. سیاست حفظ حریم خصوصی
        رد کردن قبول کنید