صفحه اصلی > محصولات > قطعات پرچین > پرچ > گیره پرچ در حال گسترش
        گیره پرچ در حال گسترش
        • گیره پرچ در حال گسترشگیره پرچ در حال گسترش
        • گیره پرچ در حال گسترشگیره پرچ در حال گسترش
        • گیره پرچ در حال گسترشگیره پرچ در حال گسترش
        • گیره پرچ در حال گسترشگیره پرچ در حال گسترش
        • گیره پرچ در حال گسترشگیره پرچ در حال گسترش

        گیره پرچ در حال گسترش

        گیره پرچ در حال گسترش یک اتصال دهنده پلاستیکی است که با وارد کردن شاخک های انعطاف پذیر آن از طریق یک سوراخ نصب می شود و سپس Xiaoguo® سازنده ای با بیش از ده سال تجربه حرفه ای در صنعت اتصال دهنده ها است. ما قادر به تحویل به موقع بدون توجه به اندازه سفارش هستیم.
        مدل:QC/T 350-1999

        ارسال استعلام

        توضیحات محصول

        متداول ترین مواد برای گیره های پرچ های منبسط شونده قابل اعتماد نایلون 6/6 تقویت شده با شیشه و کوپلیمر استال (POM) هستند. نایلون 6/6 قوی تر است و گرما را بهتر تحمل می کند. POM شکل خود را به خوبی حفظ می کند، زیاد ساییده نمی شود و بدون فرسودگی در برابر استفاده مکرر مقاومت می کند.

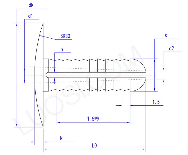
        expanding rivet clip parameter

        دوشنبه
        Φ6 Φ8
        Φ10
        حداکثر d
        6 8 10
        د دقیقه
        5.8 7.8 9.8
        حداکثر dk
        16.2 16.2 18.2
        dk دقیقه
        15.8 15.8 17.8
        حداکثر k
        1.6 1.6 2.1
        k دقیقه
        1.4 1.4 1.9
        L0
        20 20 22
        d1
        3 4 5
        d2
        1.5 2 3
        n
        1 1 1.5

        این پلاستیک های مهندسی اطمینان حاصل می کنند که بدنه پین ​​شکاف تحت فشار مکانیکی و شرایط سخت به خوبی کار می کند. بر خلاف پلاستیک های ارزان تر، آنها به راحتی تجزیه نمی شوند.

        تعمیر و نگهداری

        نگهداری گیره های پرچ در حال گسترش ساده است. ساخته شده از پلاستیک مقاوم در برابر خوردگی، زنگ نمی زند و نیاز به مواد ضد زنگ یا روغن را از بین می برد. قبل از استفاده، آنها را از نظر آسیب، مانند ترک خوردگی، تغییر شکل، شکنندگی یا سفید شدن در اثر قرار گرفتن طولانی مدت در معرض نور خورشید بررسی کنید. جایگزینی آسان است. هیچ ابزار خاصی مورد نیاز نیست به سادگی گیره قدیمی را از پاها بیرون بیاورید و آن را با یک گیره جدید جایگزین کنید. آسان برای استفاده. وضعیت گیره پرچ را به طور مرتب بررسی کنید و سریعاً آن را تعویض کنید.

        آیا شما در برابر تخریب UV برای استفاده طولانی مدت در فضای باز مقاوم است؟

        گیره‌های پرچ استاندارد ما دارای مسدودکننده‌های UV هستند که دقیقاً در هنگام ساختن آنها تعبیه شده است.

        این محافظت در برابر اشعه ماوراء بنفش باعث می‌شود که آنها کار خود را انجام دهند، قوی، انعطاف‌پذیر و محکم بمانند، حتی در موارد خشن در فضای باز. تراکتورها، حفارها، پنل های خورشیدی، تجهیزات کشاورزی و غیره را در نظر بگیرید. در مقایسه با پلاستیک معمولی بدون آن، بدون اینکه نیازی به سر و صدا کردن آنها باشد، عمر بیشتری دارند.


        تگ های داغ: گیره پرچ گسترش دهنده، چین، سازنده، تامین کننده، کارخانه
        دسته بندی مرتبط
        ارسال استعلام
        لطفاً درخواست خود را در فرم زیر ارائه دهید. ما ظرف 24 ساعت به شما پاسخ خواهیم داد.
        X
        ما از کوکی ها استفاده می کنیم تا تجربه مرور بهتری به شما ارائه دهیم، ترافیک سایت را تجزیه و تحلیل کنیم و محتوا را شخصی سازی کنیم. با استفاده از این سایت، شما با استفاده ما از کوکی ها موافقت می کنید. سیاست حفظ حریم خصوصی
        رد کردن قبول کنید