صفحه اصلی > محصولات > مهره > پیچ دستی مهره > مهره نورد یقه بلند
      مهره نورد یقه بلند
      • مهره نورد یقه بلندمهره نورد یقه بلند
      • مهره نورد یقه بلندمهره نورد یقه بلند

      مهره نورد یقه بلند

      روی دقت و پشتیبانی پایدار سرمایه گذاری کنید. مهره غلتشی با یقه بلند XIAO GUO برای استقامت ساخته شده است. ما از محصولات خود با مهره غلتشی با یقه بالا 2 سال ضمانت پشتیبانی می کنیم که اطمینان را ایجاد می کند و هزینه کل مالکیت شما را کاهش می دهد.

      ارسال استعلام

      توضیحات محصول

      شما به گواهی گمرک یا بازرسی کیفیتی نیاز دارید که خودتان برای مهره های غلاف یقه بالا ثبت کرده اید، که ما می توانیم در هنگام ثبت سفارش شما، آن را به صورت رایگان ارائه دهیم. ما می توانیم آن را به صورت رایگان در هنگام ثبت سفارش ارائه دهیم. این گواهی محتوای فانتزی ندارد، فقط اطلاعات اولیه لازم را دارد.

      این شامل جزئیاتی مانند شماره دسته، نوع ماده خام، روش تصفیه سطح و نتایج آزمایش کلیدی است. این آزمایش‌ها داده‌های دقت رزوه، ثبات اندازه و مقاومت به خوردگی را از آزمایش‌های مربوطه پوشش می‌دهند. هر گواهی دارای یک کد ردیابی منحصر به فرد است، بنابراین می توانید صحت آن را بررسی کنید و در صورت نیاز جزئیات آزمایش را بررسی کنید.

      این سند از زبان ساده و بدون عبارات فنی پیچیده استفاده می کند. استانداردهای رایج صنعت را برآورده می کند و برای اکثر محموله های بین المللی شناخته شده است. فقط به ما اطلاع دهید که هنگام سفارش به آن نیاز دارید، و ما آن را با تحویل مهره غلتان با یقه بالا اضافه می کنیم. بدون هزینه اضافی یا روش های خسته کننده برای این خدمات.

      موارد استفاده محصول

      عمدتاً برای افزودن سوراخ های رزوه دار به ورق فلزی نازک بدون مهره های اضافی استفاده می شود. شما آن را در تولید لوازم الکترونیکی پیدا خواهید کرد - مانند نصب قطعات بر روی بدنه دستگاه یا ثابت کردن پانل های فلزی روی رایانه ها و چاپگرها. در اینجا کار می کند زیرا همسطح می نشیند و فضای اضافی داخل دستگاه را اشغال نمی کند.

      در مونتاژ مبلمان نیز رایج است. کارگران از آن برای چسباندن براکت های فلزی به قاب کابینت یا محکم کردن سرسره های کشو به ریل های فلزی استفاده می کنند. در کارگاه‌های کوچک، برای پروژه‌های ورق فلزی سفارشی، مانند ساخت جعبه ابزار یا قفسه‌های فلزی که نیاز به بست‌های محکم و قابل اعتماد دارند، مفید است.

      علاقه مندان به DIY نیز از آن برای کارهایی مانند تعمیر ابزار فلزی باغبانی یا ساخت صنایع دستی فلزی کوچک استفاده می کنند. برای هر کاری که در آن به سوراخ رزوه‌ای در فلز نازک نیاز دارید، اما نمی‌خواهید از سخت‌افزارهای حجیم استفاده کنید، عالی است. مهره نورد یقه بلند با اکثر نیازهای اتصالات فلزی سبک تا متوسط ​​مطابقت دارد، بدون هیچ زحمتی با ابزارهای پیچیده.

      High Collar Knurled Rolling Nut

      جلسه پرسش و پاسخ

      س: اگر برخی از محصولات پس از تحویل معیوب باشند چه؟

      پاسخ: ابتدا از محصولات معیوب عکس یا فیلم بگیرید و ظرف 7 روز پس از دریافت برای ما ارسال کنید. ما به سرعت مشکل را بررسی خواهیم کرد. اگر مشکل از کیفیت تولید ما باشد، جایگزین‌ها را رایگان ارسال می‌کنیم. هزینه حمل و نقل جایگزین بر عهده ما خواهد بود. ما به ندرت چنین مشکلاتی را داریم زیرا هر دسته از طریق بازرسی دقیق می گذرد، اما ما پس از فروش را به درستی انجام می دهیم تا بر استفاده شما تأثیر بگذارد.  

      High Collar Knurled Rolling Nut


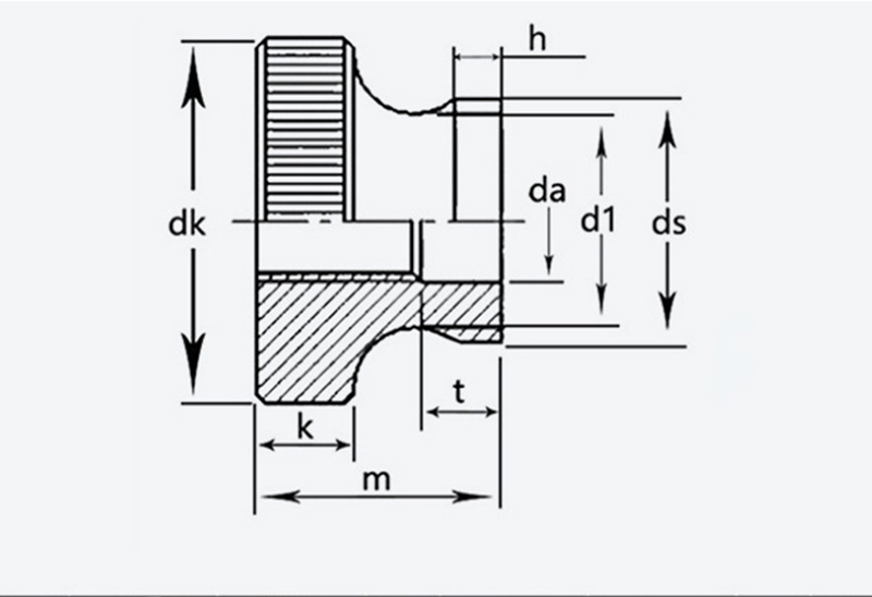
      اندازه زمین قطر بیرونی ارتفاع k ds دا d1 T h
      حداکثر دقیقه حداکثر دقیقه حداکثر دقیقه حداکثر دقیقه حداکثر
      M3 0.5  11  10.7  6.64  2.8  5.7  3.5  3.2  5.2  1.2 
      M4 0.7  12  11.7  7.64  7.64  4.5  4.2  6.4  2.5  1.5 
      M5 0.8  16  15.7  10  96.6  10  9.64  5.5  5.5 
      M6 20  19.7  12  11.6  12  11.6  6.56  6.2  11  2.5 
      M8 1.25  24  23.7  16  15.6  16  15.6  8.86  8.5  13 
      M10 1.5 30 29.7 20 19.5 8 20 19.5 10.9 10.5 17.2 6.5 3.8
      تگ های داغ: مهره نورد یقه بلند، چین، تولید کننده، تامین کننده، کارخانه
      دسته بندی مرتبط
      ارسال استعلام
      لطفاً درخواست خود را در فرم زیر ارائه دهید. ما ظرف 24 ساعت به شما پاسخ خواهیم داد.
      X
      We use cookies to offer you a better browsing experience, analyze site traffic and personalize content. By using this site, you agree to our use of cookies. Privacy Policy
      Reject Accept