صفحه اصلی > محصولات > مهره > پیچ دستی مهره > آجیل خرطومی سر بالا
        آجیل خرطومی سر بالا
        • آجیل خرطومی سر بالاآجیل خرطومی سر بالا
        • آجیل خرطومی سر بالاآجیل خرطومی سر بالا

        آجیل خرطومی سر بالا

        آینده کنترل حرکت را ادغام کنید. جدیدترین مهره های سربالا XIAO GUO دارای گردش توپ بهینه شده برای عملکرد آرام تر و سرعت بالاتر است. این انتخاب فانتزی آجیل های سربالا برای ماشین آلات نسل بعدی است.

        ارسال استعلام

        توضیحات محصول

        هزینه حمل و نقل برای آجیل خرطومی با سر بالا بسته به اندازه سفارش و آدرس تحویل متفاوت است. سفارشات کوچکتر معمولاً هزینه حمل و نقل بالاتری دارند. برای سفارشات کوچک، مانند دسته های نمونه یا زیر 5000 قطعه، از پیک هایی مانند DHL یا FedEx استفاده می کنیم. هزینه معمولا بین 25 تا 90 دلار متغیر است و تحویل 3 تا 7 روز طول می کشد. پست پستی ارزان تر اما کندتر است و حدود 10-18 روز طول می کشد.

        سفارشات عمده بیش از 10000 قطعه با حمل و نقل دریایی یا هوایی بهتر است. حمل و نقل دریایی مقرون به صرفه تر است و 350 تا 900 دلار در هر متر مکعب هزینه دارد، اما 20 تا 35 روز طول می کشد. حمل و نقل هوایی سریعتر است (5-10 روز) اما گرانتر است، حدود 6 تا 9 دلار در هر کیلوگرم. ما آنها را به درستی بسته بندی می کنیم تا در حین حمل و نقل آسیب نبیند.

        فقط مقدار سفارش و مقصد خود را به ما بگویید و ما می توانیم قیمت دقیقی به شما بدهیم. بدون هزینه پنهان - شما فقط هزینه حمل و نقل واقعی را پرداخت می کنید. گزینه‌های حمل و نقل آجیل‌های سربالا هم برای نمونه‌های کوچک و هم برای خریدهای عمده کار می‌کنند و با نیازهای بودجه و زمان متفاوت سازگار هستند.

        ویژگی های ظاهری محصول

        به طور کلی یک شکل استوانه ای ساده دارد، بدون طراحی اضافی. سطح بیرونی صاف است که به آن کمک می کند در حین نصب به راحتی در سوراخ های از پیش سوراخ شده قرار گیرد. یک فلنج کوچک در اطراف یک انتها وجود دارد - این از لغزش آن در ورق فلز پس از فشار دادن به داخل جلوگیری می کند.

        قسمت داخلی دارای رزوه هایی است که با اندازه های رایج پیچ مطابقت دارد. رزوه ها خیلی تیز نیستند، فقط برای یک تناسب صاف با پیچ و مهره ها مناسب هستند. انتهای دیگر آن صاف است، بنابراین پس از نصب روی ورق فلزی قرار می گیرد، بدون اینکه قطعات بیرون زده شوند.

        اندازه آن کوچک است و مطابق با نیازهای ورق فلزی نازک است. سطح فقط دارای پوشش اولیه است، مانند آبکاری روی یا غیرفعال کردن، بدون رنگ یا تزئینات اضافی. شکل آجیل های سربالا کاملاً کاربردی است و نصب و کار با آن را برای کارهای مونتاژ ورق فلزی آسان می کند.

        High Head Knurled Nuts

        جلسه پرسش و پاسخ

        س: آیا می توانید آن را با اندازه های غیر استاندارد سفارشی کنید؟

        پاسخ: بله، ما سفارشات سفارشی را برای اندازه های نخ غیر استاندارد یا قطر بیرونی می پذیریم. شما فقط باید الزامات اندازه دقیق و مقدار سفارش مورد انتظار خود را برای ما ارسال کنید. زمان تولید برای سفارشات سفارشی حدود 15-20 روز است که کمی بیشتر از موارد استاندارد است. اگر تعداد بیش از 50000 قطعه باشد، هزینه قالب اضافی وجود ندارد. ما ابتدا نمونه هایی را برای تأیید قبل از تولید انبوه برای شما ارسال می کنیم.  


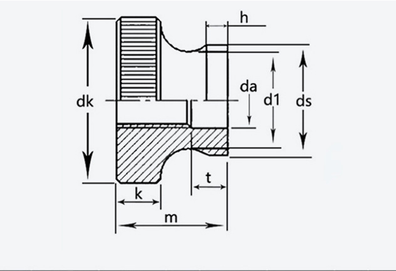
        اندازه زمین قطر بیرونی ارتفاع k ds دا d1 T h
        حداکثر دقیقه حداکثر دقیقه حداکثر دقیقه حداکثر دقیقه حداکثر
        M3 0.5  11  10.7  6.64  2.8  5.7  3.5  3.2  5.2  1.2 
        M4 0.7  12  11.7  7.64  7.64  4.5  4.2  6.4  2.5  1.5 
        M5 0.8  16  15.7  10  96.6  10  9.64  5.5  5.5 
        M6 20  19.7  12  11.6  12  11.6  6.56  6.2  11  2.5 
        M8 1.25  24  23.7  16  15.6  16  15.6  8.86  8.5  13 
        M10 1.5 30 29.7 20 19.5 8 20 19.5 10.9 10.5 17.2 6.5 3.8
        تگ های داغ: آجیل سربالا، چین، تولید کننده، تامین کننده، کارخانه
        دسته بندی مرتبط
        ارسال استعلام
        لطفاً درخواست خود را در فرم زیر ارائه دهید. ما ظرف 24 ساعت به شما پاسخ خواهیم داد.
        X
        ما از کوکی ها استفاده می کنیم تا تجربه مرور بهتری به شما ارائه دهیم، ترافیک سایت را تجزیه و تحلیل کنیم و محتوا را شخصی سازی کنیم. با استفاده از این سایت، شما با استفاده ما از کوکی ها موافقت می کنید. سیاست حفظ حریم خصوصی
        رد کردن قبول کنید