صفحه اصلی > محصولات > مهره > پیچ دستی مهره > دستگیره های گرد با مهره های غلاف
      دستگیره های گرد با مهره های غلاف
      • دستگیره های گرد با مهره های غلافدستگیره های گرد با مهره های غلاف
      • دستگیره های گرد با مهره های غلافدستگیره های گرد با مهره های غلاف

      دستگیره های گرد با مهره های غلاف

      برای حرکت خطی دقیق، دستگیره های گرد پیشرفته XIAO GUO با مهره غلتشی یقه را انتخاب کنید. طراحی شده برای پیچ های توپی، حرکت صاف و با راندمان بالا را تضمین می کند و ما را به یک تامین کننده قابل اعتماد دستگیره های گرد چینی با مهره غلتشی یقه ای برای سیستم های CNC و اتوماسیون تبدیل می کند.

      ارسال استعلام

      توضیحات محصول

      ابتدا سوراخی را در ورق فلزی که با دستگیره های گرد با اندازه مهره غلتشی یقه مطابقت دارد، سوراخ کنید. سوراخ را خیلی بزرگ نکنید - در غیر این صورت، به درستی قفل نمی شود. تراشه های فلزی باقی مانده در سوراخ را تمیز کنید. ممکن است مانع نصب شوند.

      سپس مهره را در سوراخی که از قبل سوراخ کرده اید قرار دهید، مطمئن شوید که صاف روی ورق قرار می گیرد. از یک ابزار پرس استاندارد با یک قالب متناسب با قسمت بالای مهره استفاده کنید. فشار ثابت و یکنواختی را به ابزار وارد کنید - وقتی ابزار در جای خود قفل می شود، یک "کلیک" خفیف احساس خواهید کرد. فشار را برای 1-2 ثانیه نگه دارید تا مطمئن شوید که ایمن است.

      از استفاده از ضربات چکش خودداری کنید. این می تواند مهره را خم کند یا به ورق فلز آسیب برساند. روی ورق فلزی نازک تا متوسط ​​(ضخامت 0.5-2 میلی متر) بهترین عملکرد را دارد. پس از نصب، می توانید یک پیچ را بدون چرخش مهره به آرامی پیچ کنید. استفاده از دستگیره های گرد با مهره یقه ای حتی برای مبتدیان آسان است، بدون نیاز به مهارت های پیچیده.

      بسته بندی محصول

      ما از بسته بندی ساده و کاربردی برای ایمن نگه داشتن آجیل استفاده می کنیم. برای سفارشات یا نمونه های کوچک، آنها در کیسه های پلاستیکی شفاف بسته بندی می شوند - معمولاً 100 یا 200 قطعه در هر کیسه. هر کیسه دارای یک برچسب اصلی با اندازه، مواد و شماره دسته است، بنابراین می توانید آنچه را که نیاز دارید به راحتی پیدا کنید.

      سفارشات انبوه در کارتن های محکم قرار می گیرند. بسته به اندازه مهره، هر کارتن 5000 تا 10000 قطعه را در خود جای می دهد. ما فوم یا پوشش حباب دار را داخل آن قرار می دهیم تا از خراشیدگی یا حرکت آنها در حین حمل جلوگیری کنیم. کارتن ها دارای علائم واضحی برای جابجایی هستند، مانند "خشک نگه دارید" یا "بدون روی هم چیدن چیزهای سنگین".

      اگر به بسته بندی سفارشی نیاز دارید - مانند لوگوی خود روی کیسه یا مقدار مشخصی در هر بسته - فقط هنگام سفارش به ما اطلاع دهید. هیچ چیز فانتزی اضافی وجود ندارد، فقط چیزی که برای ذخیره سازی و حمل و نقل مناسب است. در این گزینه‌های استاندارد عرضه می‌شود که برای اکثر کارگاه‌های کوچک، کارخانه‌های بزرگ یا نیازهای کاربران DIY مناسب است.

      Round Knobs With Collar Rolling Nut

      جلسه پرسش و پاسخ

      چه ضخامت ورق فلزی برای دستگیره های گرد با مهره یقه ای مناسب است؟  

      پاسخ: روی ورق فلزی نازک تا متوسط، با محدوده ضخامت 0.5 میلی متر تا 2.5 میلی متر بهترین کار را دارد. فلز خیلی ضخیم اجازه نمی دهد که به درستی قفل شود و خیلی نازک ممکن است در حین نصب تغییر شکل دهد. مواد معمولی مانند فولاد نورد سرد، آلومینیوم و ورق های فولادی ضد زنگ همگی مشکلی ندارند. فقط مطمئن شوید که اندازه سوراخ از پیش سوراخ شده با قطر بیرونی مهره مطابقت دارد - اگر برای مرجع به آن نیاز دارید، می توانیم نمودار اندازه را ارائه دهیم.  

      Round Knobs With Collar Rolling Nut

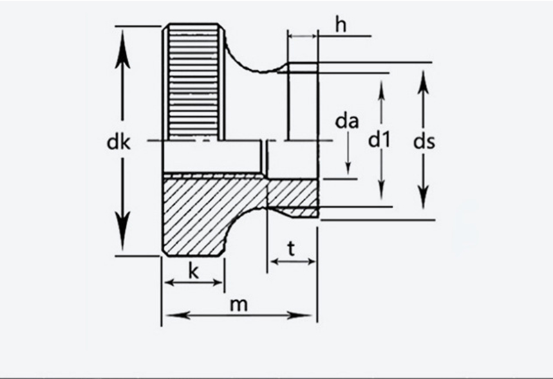
      اندازه زمین قطر بیرونی ارتفاع k ds دا d1 T h
      حداکثر دقیقه حداکثر دقیقه حداکثر دقیقه حداکثر دقیقه حداکثر
      M3 0.5  11  10.7  6.64  2.8  5.7  3.5  3.2  5.2  1.2 
      M4 0.7  12  11.7  7.64  7.64  4.5  4.2  6.4  2.5  1.5 
      M5 0.8  16  15.7  10  96.6  10  9.64  5.5  5.5 
      M6 20  19.7  12  11.6  12  11.6  6.56  6.2  11  2.5 
      M8 1.25  24  23.7  16  15.6  16  15.6  8.86  8.5  13 
      M10 1.5 30 29.7 20 19.5 8 20 19.5 10.9 10.5 17.2 6.5 3.8
      تگ های داغ: دستگیره های گرد با مهره غلتکی یقه ای، چین، تولید کننده، تامین کننده، کارخانه
      دسته بندی مرتبط
      ارسال استعلام
      لطفاً درخواست خود را در فرم زیر ارائه دهید. ما ظرف 24 ساعت به شما پاسخ خواهیم داد.
      X
      We use cookies to offer you a better browsing experience, analyze site traffic and personalize content. By using this site, you agree to our use of cookies. Privacy Policy
      Reject Accept