صفحه اصلی > محصولات > مهره > مهره تی > مهره جوش بدون سازش T Style
        مهره جوش بدون سازش T Style
        • مهره جوش بدون سازش T Styleمهره جوش بدون سازش T Style
        • مهره جوش بدون سازش T Styleمهره جوش بدون سازش T Style
        • مهره جوش بدون سازش T Styleمهره جوش بدون سازش T Style
        • مهره جوش بدون سازش T Styleمهره جوش بدون سازش T Style
        • مهره جوش بدون سازش T Styleمهره جوش بدون سازش T Style

        مهره جوش بدون سازش T Style

        مهره‌های جوش بی‌نظیر T به دلیل داشتن فلنج، نیروی جوش و بار بعدی را در منطقه وسیع‌تری توزیع می‌کنند. Xiaoguo® یک صادرکننده اختصاصی است که با تولید کنندگان معتبر برای تامین اتصال دهنده های صنعتی و راه حل های سخت افزاری همکاری می کند.
        مدل:JIS B1196-3.1-1994

        ارسال استعلام

        توضیحات محصول

        یکی از دلایل بزرگی که مردم از مهره‌های جوش بی‌نظیر تی استفاده می‌کنند این است که چقدر در مقابل کشیده شدن مقاومت می‌کنند. فلنج پایه بزرگ نیروی گیره را در یک منطقه بزرگ روی ورق فلز پخش می کند، بنابراین فشار کمتری در یک نقطه وجود دارد.

        پایه های دندانه دار در هنگام جوشکاری در مواد فرو می روند که وقتی بست های همسان را سفت می کنید از چرخش آنها جلوگیری می کند. این پایداری و استحکام آن‌ها را برای اتصالات مهم ساختاری مناسب می‌کند، مفاصلی که ارتعاش دارند، بارهای متحرک را تحمل می‌کنند یا به نیروی گیره زیادی نیاز دارند. آنها بهتر از بسیاری از گزینه های دیگر کار می کنند.

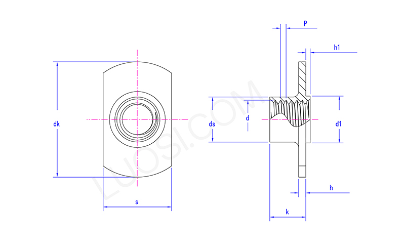
        دوشنبه M4 M5 M6 M8 M10 M12
        P 0.7 0.8 1 1︱1.25 1.25︱1.5 1.5 ︱ 1.75
        حداکثر dk 23.7 24.7 27 29 33.2 37.2
        dk دقیقه 22.3 23.3 25 27 30.8 34.8
        حداکثر s 12.25 12.25 14.3 14.3 19.4 21.5
        ثانیه دقیقه 11.75 11.75 13.7 13.7 18.6 20.5
        ds max 5.9 6.7 8.3 10.2 13.2 15.2
        دسی دقیقه 5.4 6.2 7.8 9.5 12.5 14.5
        حداکثر k 5.9 6.9 7.5 9 10.6 11.8
        k دقیقه 5.1 6.1 6.5 8 9.4 10.2
        حداکثر ساعت 1.4 1.4 1.85 1.85 2.3 2.3
        ساعت دقیقه 1 1 1.35 1.35 1.7 1.7
        حداکثر d1 6.9 6.9 8.9 10.9 12.9 14.9
        d1 دقیقه 6.7 6.7 8.7 10.7 12.7 14.7
        حداکثر h1 0.8 0.8 0.8 0.8 1.2 1.2
        ساعت 1 دقیقه 0.6 0.6 0.6 0.6 1 1

        مزایای محصول:

        مهره های جوش بدون سازش T ساخت را بسیار آسان می کند. می‌توانید در اوایل، قبل از کنار هم قرار دادن قطعات پیچیده، رزوه‌ها را اضافه کنید - معمولاً وقتی فلز هنوز صاف است یا دسترسی به آن آسان است. این بدان معناست که شما مجبور نیستید در مراحل بعدی با نصب سخت‌افزاری سخت‌افزاری کنار بیایید یا با گذاشتن مهره‌ها با دست در نقاط نامناسب دست و پنجه نرم کنید.

        جوش دادن آنها سریع است و می تواند خودکار باشد، بنابراین آنها دقیقاً در تنظیمات جوشکاری رباتیک قرار می گیرند. استفاده از مهره‌های جوش بدون سازش T هزینه‌های نیروی کار را کاهش می‌دهد، اشتباهات در هنگام مونتاژ را کاهش می‌دهد و کل فرآیند تولید ورق فلز را سرعت می‌بخشد.

        Uncompromising T Style Weld Nuts

        مواد اصلی:

        مهره های جوش استاندارد T-Style ما از فولاد کربن ساخته شده اند. روکش های محافظ معمولی عبارتند از روکش روی - کرومات شفاف یا زرد - و الکترو گالوانیزه که به جلوگیری از زنگ زدگی آنها کمک می کند.

        ما همچنین فولادهای ضد زنگ، عمدتا 304 یا 316، برای مقاومت بهتر در برابر زنگ زدگی در محیط های سخت داریم. به این ترتیب، آنها برای همه نوع استفاده در سراسر جهان کار می کنند.



        تگ های داغ: مهره جوش بدون سازش T Style، چین، تولید کننده، تامین کننده، کارخانه
        دسته بندی مرتبط
        ارسال استعلام
        لطفاً درخواست خود را در فرم زیر ارائه دهید. ما ظرف 24 ساعت به شما پاسخ خواهیم داد.
        X
        ما از کوکی ها استفاده می کنیم تا تجربه مرور بهتری به شما ارائه دهیم، ترافیک سایت را تجزیه و تحلیل کنیم و محتوا را شخصی سازی کنیم. با استفاده از این سایت، شما با استفاده ما از کوکی ها موافقت می کنید. سیاست حفظ حریم خصوصی
        رد کردن قبول کنید