پیچ فنری اسیر
        • پیچ فنری اسیرپیچ فنری اسیر
        • پیچ فنری اسیرپیچ فنری اسیر
        • پیچ فنری اسیرپیچ فنری اسیر
        • پیچ فنری اسیرپیچ فنری اسیر
        • پیچ فنری اسیرپیچ فنری اسیر

        پیچ فنری اسیر

        پیچ فنری دربسته یک پیچ شل و غیرقابل جدا شدن است که با پرچ فشرده یا انبساط برای ایجاد اتصال ایمن نصب می شود. Xiaoguo® یک تولید کننده قابل اعتماد است که اندازه های استاندارد بست را ارائه می دهد و همچنین می تواند اندازه های سفارشی تولید کند.

        ارسال استعلام

        توضیحات محصول

        بزرگترین پیروزی با پیچ فنری محصور این است که اتصالات را محکم نگه می دارند. این به معنای خرابی‌های کمتر، تجهیزات ایمن‌تر، رفع خرابی‌های کمتر و محصولاتی است که برای مدت طولانی‌تری بهتر کار می‌کنند.


        این پیچ ها ارتعاشات را می خورند و تغییرات حرارتی یا جابجایی مواد را کنترل می کنند، چیزهایی که پیچ های معمولی را باز می کنند. آنها همچنین مونتاژ را ساده می کنند زیرا اغلب از قفل شوی یا قفل نخی صرف نظر می کنید و لیست قطعات خود را کاهش می دهید. پیچ های فنر ضد شل شدن را می توان برای کارهای سخت بستن استفاده کرد.


        پیچ فنر محصور، چسبندگی پیچ را با قابلیت نگه‌داشتن کشش فنر ترکیب می‌کند. ساخته‌شده از مواد سخت، در اندازه‌ها/مشخصات زیاد، و اغلب با پوشش‌هایی برای مبارزه با زنگ‌زدگی در دسترس هستند، در جلوگیری از شل شدن لرزش و خستگی فلز مقاوم هستند.

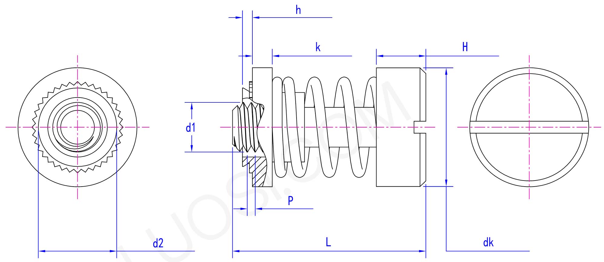
        پارامترهای محصول

        دوشنبه 440 632 832 032 0420
        P 40 32 32 32 20
        d1 #4 #6 #8 شماره 10 1/4
        حداکثر d2 0.202 0.218 0.249 0.311 0.374
        حداکثر dk 0.416 0.448 0.478 0.54 0.635
        dk دقیقه 0.396 0.428 0.458 0.52 0.615
        حداکثر ساعت 0.058 0.058 0.058 0.058 0.058
        حداکثر k 0.128 0.128 0.128 0.12 0.148
        k دقیقه 0.118 0.118 0.118 0.11 0.138
        H max 0.207 0.207 0.212 0.225 0.247
        H دقیقه 0.197 0.197 0.202 0.237 0.237

        آنها را در هواپیماها، اتومبیل ها، کارخانه ها و وسایل، هر جایی که نیاز است قطعات در محیط های ناهموار قفل شوند، پیدا خواهید کرد. این به شما می گوید که آنها برای ایمن، ایمن و بادوام نگه داشتن چیزها کلیدی هستند. پیچ های فنری راه حلی کاربردی برای تجهیزات مدرنی هستند که نمی توانند لرزش های شدید را تحمل کنند.

        Captive Spring Screw

        بسته

        س: بسته چگونه بسته بندی می شود تا از آسیب در هنگام حمل و نقل بین المللی جلوگیری شود؟

        A: ما پیچ فنری را بسته بندی می کنیم تا سالم به آن برسیم. معمولاً آنها را به صورت فله ای در کیسه های پلاستیکی مهر و موم شده داخل جعبه های مقوایی قرار می دهیم. گاهی اوقات برای جلوگیری از گره خوردن یا خراشیدن در حین حمل و نقل، تقسیم کننده ها یا بالشتک ها را می اندازیم.


        سفارشات بزرگتر با قرقره یا قرقره های پلاستیکی سفارشی ارائه می شود. در هر صورت، بسته بندی ما بادوام، ضد رطوبت و مقاوم در برابر ضربه است و از آسیب در حین حمل و نقل جلوگیری می کند.

        تگ های داغ: پیچ فنری، چین، تولید کننده، تامین کننده، کارخانه
        دسته بندی مرتبط
        ارسال استعلام
        لطفاً درخواست خود را در فرم زیر ارائه دهید. ما ظرف 24 ساعت به شما پاسخ خواهیم داد.
        X
        ما از کوکی ها استفاده می کنیم تا تجربه مرور بهتری به شما ارائه دهیم، ترافیک سایت را تجزیه و تحلیل کنیم و محتوا را شخصی سازی کنیم. با استفاده از این سایت، شما با استفاده ما از کوکی ها موافقت می کنید. سیاست حفظ حریم خصوصی
        رد کردن قبول کنید