صفحه اصلی > محصولات > آجیل جوشکاری > پیچ جوشکاری > پیچ های جوشی پروجکشن پایین
      پیچ های جوشی پروجکشن پایین
      • پیچ های جوشی پروجکشن پایینپیچ های جوشی پروجکشن پایین
      • پیچ های جوشی پروجکشن پایینپیچ های جوشی پروجکشن پایین
      • پیچ های جوشی پروجکشن پایینپیچ های جوشی پروجکشن پایین

      پیچ های جوشی پروجکشن پایین

      پیچ های جوش پایینی را می توان به طور محکم روی سطوح فلزی جوش داد. دارای رزوه هایی در قسمت بالایی می باشد و می توان از آن برای اتصال قطعات استفاده کرد. آنها برای ماشین آلات سنگین، سازه های فولادی یا تجهیزات صنعتی که نیاز به تثبیت محکم و دائمی دارند، مناسب هستند. شرکت Xiaoguo® گزینه های عملی را ارائه می دهد.
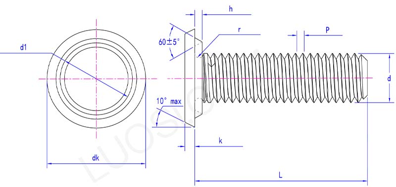
      مدل:QC/T 598-1999

      ارسال استعلام

      توضیحات محصول

      سر پیچ های جوش پیش بینی شده پایین دایره ای شکل و دارای نقاط جوش کوچک است. پیچ به شکل استوانه است و سطح آن با رزوه های منظم و ظریف حکاکی شده است. آنها در اندازه های مختلف برای انتخاب وجود دارند.

      برنامه های کاربردی

      پیچ جوش پروجکشن در دکوراسیون ساختمان استفاده می شود. در دکوراسیون داخلی، از این پیچ و مهره ها برای تعمیر در و پنجره، پانل های تزئینی، تیرچه سقف و سایر اجزا استفاده می شود. در برخی از قطعات کوچک اتصال ساختمان های اسکلت فلزی نیز می توان از آنها برای اتصال استفاده کرد. آنها بسیار راحت هستند.

      bottom projection weld screws parameter

      دوشنبه
      M4 M5 M6 M8 M10 M12
      P
      0.7 0.8 1 1.25 1.5 1.75
      حداکثر dk
      11.5 12.5 14.5 19 21 24
      dk دقیقه
      11.23 12.23 14.23 18.67 20.67 23.67
      حداکثر k
      2 2.5 2.5 3.5 4 5
      k دقیقه
      1.75 2.25 2.25 3.25 3.75 4.75
      r دقیقه
      0.2 0.2 0.3 0.3 0.4 0.4
      حداکثر d1
      8.75 9.75 10.75 14.25 16.25 18.75
      d1 دقیقه
      8.5 9.5 10.5 14 16 18.5
      حداکثر ساعت
      1.25 1.25 1.25 1.45 1.45 1.65
      ساعت دقیقه
      0.9 0.9 0.9 1.1 1.1 1.3

      پیچ های جوش پایینی نیز در صنعت ساخت مکانیکی استفاده می شود. آنها برای مونتاژ عمومی تجهیزات مکانیکی مانند اتصال اجزاء در ماشین آلات و ابزارهای کوچک قابل استفاده هستند و اطمینان حاصل می کنند که هر قسمت از ماشین آلات در هنگام کار در یک موقعیت ثابت باقی می ماند و به طور پایدار عمل می کند.

      این پیچ جوش پیش بینی شده در مونتاژ دستگاه های الکترونیکی استفاده می شود. برای اتصالات برخی از بدنه های دستگاه های الکترونیکی و تکیه گاه های داخلی که دارای الزامات ظاهری بالایی هستند و نیاز به استحکام سفت شوندگی خاصی دارند، این نوع پیچ کاملاً مناسب است. این اتصال پایدار را بدون تأثیر بر ظاهر تجهیزات تضمین می کند.

      ویژگی محصول

      پیچ های جوش پایینی پس از نصب دارای سطح نسبتاً صافی هستند که احتمال خراشیدن افراد یا اشیاء دیگر را کاهش می دهد. از نقاط جوش روی سر می توان برای پیش جوش استفاده کردپیچبه یک جزء خاص، تسهیل مونتاژ بعدی. دقت رزوه بالا است، و آن را قادر می‌سازد تا محکم با مهره منطبق درگیر شود، اثر اتصال قابل اعتمادی را فراهم می‌کند و عملکرد اتصال خوب را حتی پس از چند مرتبه جداسازی و مونتاژ مجدد حفظ می‌کند.


      تگ های داغ: پیچ های جوشی پروجکشن پایین، چین، سازنده، تامین کننده، کارخانه
      دسته بندی مرتبط
      ارسال استعلام
      لطفاً درخواست خود را در فرم زیر ارائه دهید. ما ظرف 24 ساعت به شما پاسخ خواهیم داد.
      X
      We use cookies to offer you a better browsing experience, analyze site traffic and personalize content. By using this site, you agree to our use of cookies. Privacy Policy
      Reject Accept