پیچ جوشکاری پیش بینی چهره با استحکام بالا ، نوع خاصی از اتصال دهنده است که برای اتصال شدید و به راحتی به ورق های فلزی یا سازه ها ساخته شده است. این پیش بینی ها - معمولاً حلقه ها یا برجستگی های کمی - در طرفی که فلز را لمس می کند ، و اینها به اندازه های دقیق ساخته می شوند.
هنگامی که آن را جوش می دهید ، جریان الکتریکی زیادی روی این پیش بینی ها تمرکز دارد. این باعث می شود فلز در آنجا واقعاً داغ شود ، ذوب شود و بعد از آن که خنک می شود ، جوش قوی ایجاد می کند. این جوش ، پیچ جوشکاری پیش بینی چهره با استحکام بالا را محکم به قطعه ای که روی آن کار می کنید ، نگه می دارد.
کار اصلی جوشکاری پیش بینی با قدرت بالا ایجاد یک نقطه دلبستگی دائمی و مبتنی بر نخ است که می تواند وزن خود را حفظ کند. برای جوشکاری آن به تجهیزات جوشکاری خاص برای جوشکاری نیاز دارید.
الکترودها پایین را فشار داده و برق زیادی را از طریق پیش بینی های پیچ و قطعه فلزی که با آن کار می کنید ارسال می کنند. نحوه ساخت پیچ جوشکاری فقط به معنای ذوب شدن پیش بینی ها است. هنگامی که آنها خنک می شوند ، یک پیوند فلزی قوی تشکیل می دهند ، و فلز اطراف آن خم نمی شود یا زیاد پیچیده می شود.
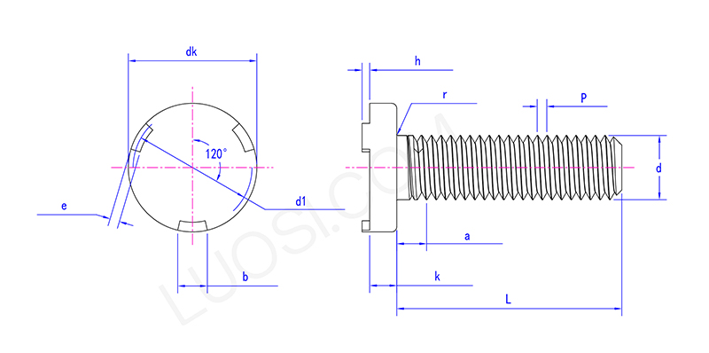
| روز | m5 | m6 | m8 | M10 |
| P | 0.8 | 1 | 1.25 | 5 |
| DK MAX | 12.4 | 14.4 | 16.4 | 20.4 |
| DK دقیقه | 11.6 | 13.6 | 15.6 | 19.6 |
| k حداکثر | 2 | 2.2 | 3.2 | 4.2 |
| k دقیقه | 1.6 | 1.8 | 3.2 | 4.2 |
| و حداکثر | 2.25 | 2.75 | 2.25 | 2.75 |
| یک دقیقه | 1.75 | 2.25 | 1.75 | 2.25 |
| ب حداکثر | 3.3 | 4.3 | 5.3 | 6.3 |
| ب دقیقه | 2.7 | 3.7 | 4.7 | 5.7 |
| حاضه حداکثر | 0.8 | 0.9 | 1.1 | 1.3 |
| ساعت | 0.6 | 0.75 | 0.9 | 1.1 |
| حداکثر D1 | 10 | 11.5 | 14 | 17.5 |
| D1 دقیقه | 9 | 10.5 | 13 | 16.5 |
| دقیقه | 0.2 | 0.25 | 0.4 | 0.4 |
| حداکثر | 0.6 | 0.7 | 0.9 | 1.2 |
| حداکثر | 3.2 | 4 | 5 | 5 |

یک پیچ جوشکاری پیش بینی چهره با استحکام بالا قطعات کمی بلند شده است - معمولاً حلقه ها یا غرق های کوچک - در طرفی که جوش داده می شود. هنگامی که آن را جوش می دهید ، برق زیادی روی قطعات بلند شده تمرکز دارد. آنها بلافاصله در برابر فلز پایه ذوب می شوند ، در حالی که الکترود در حال فشار است.
این باعث می شود جوش های محکم و محکم که پیچ را به خوبی در جای خود قرار می دهد. آنها برای کارهای ورق فلزی عالی کار می کنند.