درکلاس 8.8 پیچ های مشترک با استحکام بالااز فولاد کربن متوسط ساخته شده و تحت درمان های خاص خاموش و معتدل قرار می گیرند. قدرت آنها بسیار بالاتر از پیچ های معمولی است. پیچ آن دارای نخ ها است و می تواند با مهره همکاری کند تا دو یا چند مؤلفه را به هم وصل کند.
برنامه های کاربردی محصول
در صنعت ساخت و ساز ،کلاس 8.8 پیچ های مشترک با استحکام بالابه طور گسترده استفاده می شود هنگام ساخت کارخانه ها و پل ها ، باید از آن برای اتصال اجزای اصلی باربری مانند تیرهای فولادی و ستون های فولادی استفاده شود. به عنوان مثال ، هنگام ساختن قاب ساختار فولادی یک کارخانه بزرگ ، رفع پرتوهای فولادی و ستون ها با چنین پیچ ها می تواند اطمینان حاصل کند که کل ساختار ساختمان در طول استفاده طولانی مدت پایدار است ، تحمل باد ، قرار گرفتن در معرض آفتاب ، باران و ارتعاشات ناشی از بهره برداری از تجهیزات مختلف.
در صنعت تولید خودرو ، از پیچ های مشترک با استحکام بالا کلاس 8.8 استفاده می شود. درست مانند مونتاژ یک موتور ، قطعات مختلف باید محکم به هم متصل شوند تا اطمینان حاصل شود که در هنگام کار موتور با سرعت بالا ، هیچ مؤلفه ای از دست نمی رود. همچنین مونتاژ شاسی اتومبیل وجود دارد. با اتصال اجزای مختلف شاسی با چنین پیچ و مهرهایی ، شاسی می تواند در حین رانندگی ، چه در جاده های مسطح و چه پر پیچ و خم ، پایدار بماند و از امنیت رانندگی اطمینان حاصل کند.
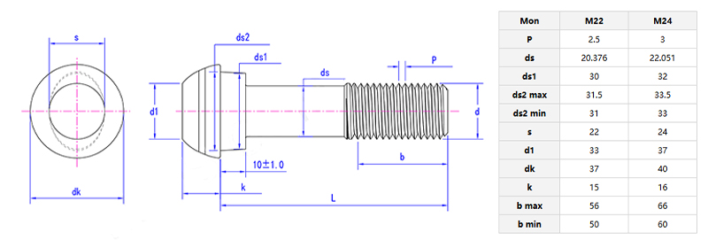
پارامترهای محصول

کلاس 8.8 پیچ های مشترک با استحکام بالانه تنها قوی و بادوام بلکه بسیار پایدار هستند. آنها می توانند در برابر نیروهای کششی و فشاری قابل توجهی مقاومت کنند و مستعد شل شدن یا شکستن محیط های لرزش و شوک نیستند. علاوه بر این ، مشخصات اندازه ما بسیار کامل است ، که می تواند نیازهای مختلف نصب را برآورده کند و استفاده از آن بسیار مناسب است.