صفحه اصلی > محصولات > مهره > مهره شش گوش > مهره جوش شش گوش ایمن جوش
        مهره جوش شش گوش ایمن جوش
        • مهره جوش شش گوش ایمن جوشمهره جوش شش گوش ایمن جوش
        • مهره جوش شش گوش ایمن جوشمهره جوش شش گوش ایمن جوش
        • مهره جوش شش گوش ایمن جوشمهره جوش شش گوش ایمن جوش
        • مهره جوش شش گوش ایمن جوشمهره جوش شش گوش ایمن جوش
        • مهره جوش شش گوش ایمن جوشمهره جوش شش گوش ایمن جوش

        مهره جوش شش گوش ایمن جوش

        مهره جوش شش ضلعی جوش ایمن، موجود در انواع اندازه ها و پیکربندی های رزوه ای، می تواند نیازهای مختلف صنعت را برای پروژه های مختلف برآورده کند. Xiaoguo® با داشتن یک شبکه جهانی از شرکا و تولیدکنندگان، تدارکات یکپارچه را تضمین می کند و معاملات بین مرزی را روان و بدون دردسر می کند.
        مدل:BS 7670-1-4-1993

        ارسال استعلام

        توضیحات محصول

        هنگام انتخاب مهره جوش شش گوش ایمن، فکر کردن به هزینه هوشمندانه است.

        اگرچه فولاد ضد زنگ هزینه سرمایه گذاری اولیه نسبتاً بالاتری دارد که عمدتاً به دلیل قیمت بالای مواد اولیه آن است، اما از منظر استفاده طولانی مدت، اگر به اقلامی نیاز دارید که به راحتی زنگ نمی زنند و بادوام هستند، فولاد ضد زنگ در واقع می تواند به شما در صرفه جویی در هزینه کمک کند.

        مهره‌های فولادی معمولی برای شروع ارزان‌تر هستند و در مواردی که زنگ‌زدگی مشکل بزرگی نیست، خوب کار می‌کنند - زمانی که اکنون سعی می‌کنید هزینه‌ها را کاهش دهید خوب است. به علاوه، از آنجایی که این آجیل ها در اندازه ها و درجه های مختلف هستند، معمولاً می توانید موردی را پیدا کنید که متناسب با پروژه و بودجه شما باشد.

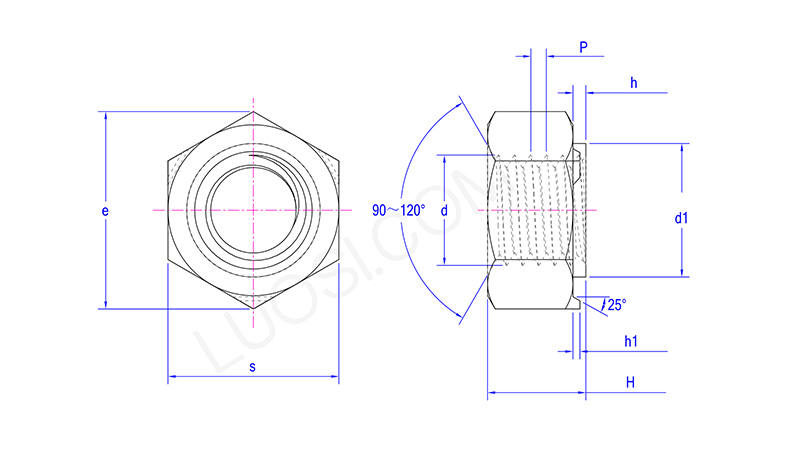
        دوشنبه M3 M4 M5 M6 M8 M10 M12
        P 0.5 0.7 0.8 1 1.25 1.5 1.75
        حداکثر d1 4.47 5.97 6.96 7.96 10.45 12.45 14.75
        d1 دقیقه 4.395 5.895 6.87 7.87 10.34 12.34 14.64
        دقیقه 8.15 9.83 10.95 12.02 15.38 18.74 20.91
        حداکثر ساعت 0.55 0.65 0.7 0.75 0.9 1.15 1.4
        ساعت دقیقه 0.45 0.55 0.6 0.6 0.75 1 1.2
        حداکثر h1 0.25 0.35 0.4 0.4 0.5 0.65 0.8
        ساعت 1 دقیقه 0.15 0.25 0.3 0.3 0.35 0.5 0.6
        حداکثر s 7.5 9 10 11 14 17 19
        ثانیه دقیقه 7.28 8.78 9.78 10.73 13.73 16.73 18.67
        H max 3 3.5 4 5 6.5 8 10
        H دقیقه 2.75 3.2 3.7 4.7 6.14 7.64 9.64

        جزئیات محصول

        مهره جوش شش گوش جوش ایمن، به ویژه انواع فولاد ضد زنگ یا آنهایی که روکش شده اند، به نگهداری زیادی نیاز ندارند. در شرایط عادی، شما فقط هر چند وقت یکبار آنها را برای هر گونه آسیبی بررسی کنید - مانند ترک خوردگی یا فرسودگی. اگر در محیطی مستعد زنگ زدگی نصب شود، بازرسی های منظم ضروری است. اگر زنگ زدگی روی مهره پوشش داده شده تشخیص داده شود، باید به سرعت آن را جدا کرده و پوشش محافظ را دوباره اعمال کنید. اگر مهره به میزان قابل توجهی آسیب دیده باشد باید فوراً تعویض شود. بازرسی منظم و نگهداری موثر می تواند عمر مفید مهره را افزایش دهد.

        Secure-welding Hexagon Weld Nut

        س: حداقل مقدار سفارش برای مهره های جوش شش گوش جوش ایمن چقدر است؟

        ج: حتما. برای مهره های جوش شش گوش استاندارد، حداقل سفارش ما 1000 قطعه است. این به ما کمک می‌کند تا بدون کاهش کیفیت، قیمت‌ها را معقول نگه داریم. اگر به طراحی سفارشی نیاز دارید - مانند اندازه یا متریال خاص - MOQ ممکن است بسته به آنچه برای ساخت آنها نیاز است تغییر کند. فقط به چند نمونه برای آزمایش نیاز دارید؟ تماس بگیرید - ما سعی می کنیم کاری را برای شما انجام دهیم.



        تگ های داغ: مهره جوش شش گوش با جوش ایمن، چین، سازنده، تامین کننده، کارخانه
        دسته بندی مرتبط
        ارسال استعلام
        لطفاً درخواست خود را در فرم زیر ارائه دهید. ما ظرف 24 ساعت به شما پاسخ خواهیم داد.
        X
        ما از کوکی ها استفاده می کنیم تا تجربه مرور بهتری به شما ارائه دهیم، ترافیک سایت را تجزیه و تحلیل کنیم و محتوا را شخصی سازی کنیم. با استفاده از این سایت، شما با استفاده ما از کوکی ها موافقت می کنید. سیاست حفظ حریم خصوصی
        رد کردن قبول کنید