صفحه اصلی > محصولات > مهره > مهره گرد > مهره قفل بلبرینگ
        مهره قفل بلبرینگ
        • مهره قفل بلبرینگمهره قفل بلبرینگ
        • مهره قفل بلبرینگمهره قفل بلبرینگ

        مهره قفل بلبرینگ

        مهره قفل یاتاقان چینی Xiaoguo® دارای یک شکاف طراحی شده دقیق است که هنگام قرار گرفتن اجزای یاتاقان در کنار هم فاصله محوری بسیار خوبی ایجاد می کند و شرایط جفت گیری بهینه را به دست می آورد. فرآیند تولید مهره های قفل بلبرینگ تولید شده توسط کارخانه در چین بسیار دقیق است.

        ارسال استعلام

        توضیحات محصول

        چگونه سایز مناسب را انتخاب کنیم؟

        برای اطمینان از اینکه مهره قفل بلبرینگ می تواند به درستی استفاده شود، نکات زیر برای انتخاب توصیه می شود:

        (1) تعیین مشخصات نخ: این پیش نیاز اولیه است. برای سیستم های متریک، به مقدار M مراجعه کنید. برای سیستم های امپراتوری به اینچ مراجعه کنید. [توجه: این محصول منحصراً از پیچ‌های رزوه‌دار استفاده می‌کند. هنگام انتخاب، حتماً گام را بررسی کنید (مانند M16×1.5) تا از انتخاب مشخصات رزوه درشت اجتناب کنید.]

        (2) ابعاد کلید را بررسی کنید: قطر خارجی (dk) و ضخامت (m) را بررسی کنید تا مطمئن شوید که مهره فضای نصب کافی در تجهیزات دارد.

        (3) استانداردها را تعریف کنید: استانداردهای محصول را به وضوح مشخص کنید، مانند "استاندارد ملی GB/T 812" یا "استاندارد آلمانی DIN 981" تا اطمینان حاصل شود که تمام ابعاد دارای تلورانس و دقت لازم هستند.


        Bearing Lock Nut

        دوشنبه M3.5 M4 M5 M6 M8 M10 M12 M14 M16 M18 M20
        P 0.6 0.7 0.8 1 1.25 1.5 1.75 2 2 2.5 2.5
        حداکثر dk 7 8 9 11 14 18 21 24 26 29 32
        dk دقیقه 6.64 7.64 8.64 10.57 13.57 17.57 20.48 23.48 25.48 28.48 31.38
        حداکثر k 3 3.5 4.2 5 6.5 8 10 11 12 13 14
        k دقیقه 2.75 3.2 3.9 4.7 6.14 7.64 9.64 10.57 11.57 12.57 13.57
        n دقیقه 1.46 1.46 2.06 2.56 3.06 3.57 4.07 4.07 4.07 4.07 5.07
        n حداکثر 1.71 1.71 2.31 2.81 3.31 3.87 4.37 4.37 4.37 4.37 5.37
        تی دقیقه 1 1.2 15 2 2.5 3.2 3.8 3.8 3.8 4.8 4.8
        t max 1.40 1.60 1.90 2.4 3 3.7 4.3 4.3 4.3 5.5 5.5

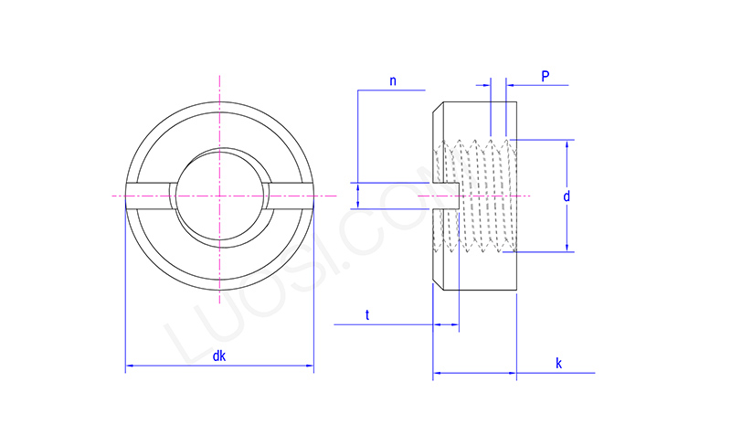
        توضیح دقیق پارامترهای کلیدی


        هنگام انتخاب اندازه مهره قفل بلبرینگ، لطفاً به پارامترهای کلیدی زیر توجه ویژه ای داشته باشید:

        (1)مشخصات رزوه (D×P): این نشان دهنده قطر اسمی (D) و گام (P) رزوه است.

        به عنوان مثال، در M16×1.5، M16 قطر اسمی 16 میلی متر و 1.5 نشان دهنده گام 1.5 میلی متر است.

        (2)قطر بیرونی (dk): حداکثر بعد خارجی مهره که حداقل فضای مورد نیاز برای نصب را تعیین می کند.

        (3)ضخامت (m): ارتفاع محوری مهره که بر بازوی نیروی قفل و قدرت تاثیر می گذارد.

        (4)تعداد شکاف‌ها (n) / عرض شکاف (b) / عمق شکاف (t): پارامترهای هندسی برای شکاف، که باید با ابعاد ابزار حرفه‌ای مربوطه (آچار قلاب‌دار و پین‌های بازکننده/ واشرهای نگهدارنده) مطابقت داشته باشد.

        Bearing Lock Nut

        مرجع سریع مشخصات مشترک

        در اینجا برخی از داده های مشخصات استاندارد معمول استفاده می شود:

        مهره قفل بلبرینگ GB/T 812-1988 (متریک) را به عنوان مثال در نظر بگیرید:

        مشخصات موضوع: D×P قطر خارجی: dk (mm) ضخامت: متر (میلی متر) تعداد اسلات: n عمق شکاف: t (mm)
        M10*1 22 8 4 2.6
        M12 * 1.25 25 8 4 2.6
        M14 * 1.5 28 8 4 2.6
        M16 * 1.5 30 8 4 3.1
        M18 * 1.5 32 8 4 3.1
        M20 * 1.5 35 8 4 3.1

        انتخاب و استفاده

        (1) قوام رزوه: تمام مهره های قفل بلبرینگ مجهز به پیچ های با رزوه ریز هستند. لطفاً برای جلوگیری از گیج شدن با پیچ های درشت، گام را بررسی کنید.

        (2)ابزار تکمیلی: فرآیند جداسازی و مونتاژ نیاز به استفاده از یک آچار قلاب‌دار ویژه دارد.

        (3)لوازم جانبی ضد شل شدن: برای دستیابی به اثر قفل شدن، آنها باید همراه با واشرهای استاپ (مانند GB/T 858) یا پین های باز استفاده شوند.

        (4)نقشه های فنی: هنگام طراحی، لطفاً همیشه به آخرین نسخه نقشه های فنی استاندارد مربوطه یا مشخصات محصول مراجعه کنید.

        تگ های داغ: مهره قفل بلبرینگ، چین، تولید کننده، تامین کننده، کارخانه
        دسته بندی مرتبط
        ارسال استعلام
        لطفاً درخواست خود را در فرم زیر ارائه دهید. ما ظرف 24 ساعت به شما پاسخ خواهیم داد.
        X
        ما از کوکی ها استفاده می کنیم تا تجربه مرور بهتری به شما ارائه دهیم، ترافیک سایت را تجزیه و تحلیل کنیم و محتوا را شخصی سازی کنیم. با استفاده از این سایت، شما با استفاده ما از کوکی ها موافقت می کنید. سیاست حفظ حریم خصوصی
        رد کردن قبول کنید