مهره GB 812
        • مهره GB 812مهره GB 812
        • مهره GB 812مهره GB 812

        مهره GB 812

        Xiaoguo® یک تامین کننده مهره GB 812 در چین است که دارای استحکام و دوام عالی است. خود محصول می تواند بارهای بسیار سنگین را تحمل کند و بهترین عملکرد را داشته باشد و بعید است در استفاده طولانی مدت تغییر شکل دهد. لطفا سعی کنید مهره پیشرفته GB 812 را انتخاب کنید. قطعا شگفت زده خواهید شد!

        ارسال استعلام

        توضیحات محصول

        اقلام بازرسی کارخانه

        برای اطمینان از قابلیت اطمینان مهره های تولید شده، ما به شدت آزمایش هایی را مطابق با استاندارد مهره GB 812 انجام خواهیم داد. این تست ها بر چهار جنبه کلیدی تمرکز خواهند داشت: اندازه، عملکرد، مواد و ظاهر.

        (1) بازرسی ابعاد و دقت

        اندازه گیری ابعاد شکل: قطر خارجی، قطر داخلی و ارتفاع کلی مهره را اندازه گیری کنید. مقادیر اندازه گیری شده نباید از محدوده تحمل تجاوز کند و عکس ها باید برای ثبت گرفته شوند.

        بازرسی اندازه شکاف: عرض، عمق و قطر شیار یا بریدگی را بررسی کنید تا از تناسب مناسب با ابزار مورد استفاده اطمینان حاصل کنید.

        (2)بازرسی دقت نخ

        بازرسی گیج رزوه: آزمایش با استفاده از «گیج نخی (GO)» و «سنج توقف (NO-GO)» انجام می شود. استاندارد واجد شرایط به شرح زیر است: گیج رزوه باید بتواند به آرامی و به طور کامل وارد شود، در حالی که گیج توقف حداکثر می تواند 2 دور وارد شود.

        اندازه گیری پارامتر رزوه: با استفاده از ابزار دقیق، قطر متوسط، انحراف گام و زاویه مارپیچ رزوه بیشتر اندازه گیری می شود.

        GB 812 Nut

        (3) تست عملکرد مکانیکی

        تست سختی: از سختی سنج Rockwell (HRC)، Brinell (HBW) یا Vickers (HV) برای اندازه گیری سختی روی وجه یا طرف مهره GB 812 استفاده کنید.

        سایر تست های عملکرد: بسته به نیازهای کاربردی، آزمایش های اضافی مانند استحکام کششی، چقرمگی ضربه و عمر خستگی نیز ممکن است برای ارزیابی جامع خواص مکانیکی آن انجام شود.

        (4) کیفیت سطح و بازرسی مواد

        تجزیه و تحلیل ترکیب مواد: از طریق روش هایی مانند آنالیز طیف سنجی، مواد مهره تایید شد.

        بازرسی درمان سطحی:

        شکل ظاهری و عیوب: با استفاده از بازرسی بصری یا ذره بین تحت نور مناسب بررسی کنید. ترک، سوراخ، چین خوردگی، زنگ زدگی و غیره که ممکن است بر استحکام تأثیر بگذارد، نباید وجود داشته باشد.

        کیفیت پوشش: اگر محصول تحت درمان هایی مانند گالوانیزه کردن، سیاه شدن یا پوشش داکرومت قرار گرفته باشد، ضخامت پوشش (با استفاده از ضخامت سنج)، چسبندگی (مانند آزمایش خراش) و مقاومت به خوردگی (از طریق آزمایش اسپری نمک) باید آزمایش شود.

        GB 812 Nut

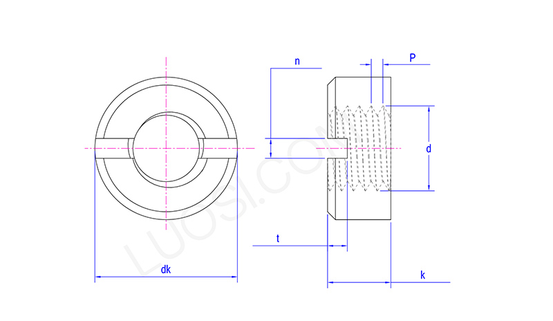
        دوشنبه M3.5 M4 M5 M6 M8 M10 M12 M14 M16 M18 M20
        P 0.6 0.7 0.8 1 1.25 1.5 1.75 2 2 2.5 2.5
        حداکثر dk 7 8 9 11 14 18 21 24 26 29 32
        dk دقیقه 6.64 7.64 8.64 10.57 13.57 17.57 20.48 23.48 25.48 28.48 31.38
        حداکثر k 3 3.5 4.2 5 6.5 8 10 11 12 13 14
        k دقیقه 2.75 3.2 3.9 4.7 6.14 7.64 9.64 10.57 11.57 12.57 13.57
        n دقیقه 1.46 1.46 2.06 2.56 3.06 3.57 4.07 4.07 4.07 4.07 5.07
        n حداکثر 1.71 1.71 2.31 2.81 3.31 3.87 4.37 4.37 4.37 4.37 5.37
        تی دقیقه 1 1.2 15 2 2.5 3.2 3.8 3.8 3.8 4.8 4.8
        t max 1.40 1.60 1.90 2.4 3 3.7 4.3 4.3 4.3 5.5 5.5

        بسته بندی

        برای بسته بندی کارخانه مهره GB 812 از استاندارد GB/T 90.2 پیروی می کنیم. الزامات کلیدی این است که اطمینان حاصل شود که برچسب های محصول کامل هستند، بسته بندی محکم است و می تواند در برابر تأثیرات محیطی در طول حمل و نقل و ذخیره سازی مقاومت کند.

        (1) درمان ضد زنگ: محصولات بدون پوشش باید با عامل ضد زنگ پوشانده شوند.

        (2) فرم بسته بندی: چندین جعبه / کیسه پلاستیکی، کیسه / فیلم ضد زنگ. بسته بندی بیرونی معمولاً از کیسه های بافته شده، جعبه های مقوایی یا جعبه های چوبی ساخته می شود (برای شرایط خاص مانند صادرات، می توان از بسته بندی سفارشی استفاده کرد)

        (3)استحکام بسته بندی: مطابق با اصول علمی، محکم و اقتصادی، جلوگیری از آسیب در حین حمل و نقل (جزئیات خاص را با شما تعیین خواهیم کرد)

        (4) محتویات برچسب: سازنده، نام محصول، علامت استاندارد، کمیت/وزن خالص، تاریخ ساخت، علامت کیفیت و غیره.

        (5)قالب برچسب: هیچ محدودیتی وجود ندارد (چاپ / برجسته کردن / اتصال به اینترنت / چسباندن همه قابل قبول هستند)

        تگ های داغ: مهره GB 812، چین، سازنده، تامین کننده، کارخانه
        دسته بندی مرتبط
        ارسال استعلام
        لطفاً درخواست خود را در فرم زیر ارائه دهید. ما ظرف 24 ساعت به شما پاسخ خواهیم داد.
        X
        ما از کوکی ها استفاده می کنیم تا تجربه مرور بهتری به شما ارائه دهیم، ترافیک سایت را تجزیه و تحلیل کنیم و محتوا را شخصی سازی کنیم. با استفاده از این سایت، شما با استفاده ما از کوکی ها موافقت می کنید. سیاست حفظ حریم خصوصی
        رد کردن قبول کنید