صفحه اصلی > محصولات > مهره > مهره گرد > مهره گرد با شکاف
        مهره گرد با شکاف
        • مهره گرد با شکافمهره گرد با شکاف
        • مهره گرد با شکافمهره گرد با شکاف

        مهره گرد با شکاف

        مهره گرد Xiaoguo® ساخت چین با اسلات مطابق با استانداردهای ملی GB812، استاندارد آلمانی DIN 981 و استاندارد بین المللی ISO 7718 است. بنابراین، اندازه و دقت رزوه محصول کاملاً تنظیم شده و قابل ردیابی است. مهره گرد با شکاف نمونه رایگان ما این نمونه را در مراحل اولیه همکاری در اختیار شما قرار خواهیم داد.

        ارسال استعلام

        توضیحات محصول

        فرآیند سفارشی سازی

        فرآیند سفارشی سازی معمول برای مهره گرد غیر استاندارد با شکاف عبارت است از:

        (1)ارتباطات تقاضا: الزامات مربوط به عملکرد، ابعاد، مواد و غیره محصول را به وضوح تعریف کنید.

        (2)تأیید ترسیم: نقشه های 2 بعدی/3 بعدی را ارائه کنید و با مهندسان برای تایید ابعاد و تلورانس ها ارتباط برقرار کنید.

        (3)تولید نمونه: قالب برای تولید نمونه ها ساخته می شود و پس از گذراندن تست ها و تایید، عکس ها و فیلم ها در اختیار مشتریان قرار می گیرد.

        (4)تولید انبوه: پس از اینکه مشتری تایید کرد که نمونه واجد شرایط است، مرحله تولید انبوه آغاز می شود.

        (5)بازرسی کیفیت هنگام تحویل: بازرسی های دقیق قبل از حمل و نقل انجام می شود و گزارش های کیفیت همراه با کالا ارائه می شود.

        Round Nut with Slot

        جنبه های اصلی قابل تنظیم

        خدمات سفارشی سازی غیر استاندارد برای مهره گرد با شکاف بسیار بالغ است. تقریباً تمام پارامترهای کلیدی را می توان به طور انعطاف پذیر با توجه به استفاده واقعی شما تنظیم کرد.

        (1) ابعاد و مشخصات:

        تنظیم اندازه کامل: قطر خارجی، قطر داخلی و ضخامت (ارتفاع) همه قابل تنظیم هستند.

        سفارشی سازی تخصصی: نسخه های سفارشی مانند انواع دراز، پلکانی، سوراخ کور و غیره آجیل قابل ارائه است.

        (2)پارامترهای نخ:

        استانداردهای رزوه متنوع: علاوه بر رزوه های متریک ریز معمولی، از رزوه های درشت متریک، رزوه های استاندارد آمریکایی و رزوه های استاندارد بریتانیایی و غیره نیز پشتیبانی می کند.

        نوع نخ ویژه: موضوعات را می توان بر اساس نیاز سفارشی کرد.


        (3) انتخاب مواد:

        مواد فلزی: فولاد کربن، فولاد آلیاژی، فولاد ضد زنگ، برنج، آلیاژ آلومینیوم، آلیاژ تیتانیوم و غیره.

        مواد غیر فلزی: برای برخی کاربردهای خاص می توان از نایلون و PEEK استفاده کرد.

        (4)خواص مکانیکی:

        درجه استحکام: گزینه های قابل تنظیم برای مهره گرد با شکاف شامل درجاتی مانند 4.8، 8.8، 10.9 و 12.9 است که برای برآورده کردن الزامات مختلف عملکرد طراحی شده است.

        نشانگرهای مکانیکی: می توان با توجه به نیازهای واقعی سفارشی کرد.

        (5)تصفیه سطح:

        از جمله فرآیندهایی مانند گالوانیزه کردن، سیاه شدن، پوشش داکترون و آبکاری نیکل.

        (6)طراحی از نوع اسلات:

        با توجه به الزامات ضد شل شدن یا نصب، می توان تعداد، عرض، عمق و یا اشکال خاص شیارها را طراحی کرد.

        (7)استانداردهای غیر استاندارد: از تبدیل نسخه های غیر استاندارد برای سیستم های استاندارد مختلف مانند استانداردهای ملی (GB)، استانداردهای آلمانی (DIN)، استانداردهای آمریکایی (ANSI) و استانداردهای ژاپنی (JIS) پشتیبانی می کند.

        Round Nut with Slot

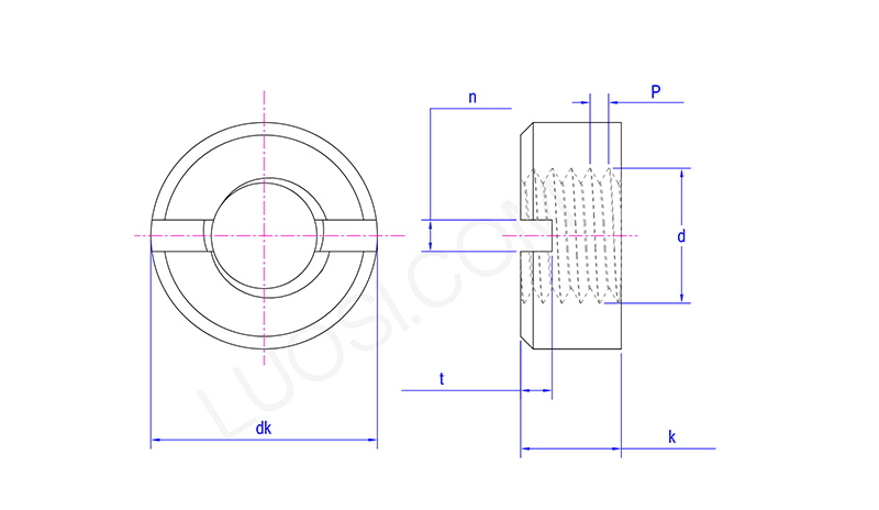
        دوشنبه M3.5 M4 M5 M6 M8 M10 M12 M14 M16 M18 M20
        P 0.6 0.7 0.8 1 1.25 1.5 1.75 2 2 2.5 2.5
        حداکثر dk 7 8 9 11 14 18 21 24 26 29 32
        dk دقیقه 6.64 7.64 8.64 10.57 13.57 17.57 20.48 23.48 25.48 28.48 31.38
        حداکثر k 3 3.5 4.2 5 6.5 8 10 11 12 13 14
        k دقیقه 2.75 3.2 3.9 4.7 6.14 7.64 9.64 10.57 11.57 12.57 13.57
        n دقیقه 1.46 1.46 2.06 2.56 3.06 3.57 4.07 4.07 4.07 4.07 5.07
        n حداکثر 1.71 1.71 2.31 2.81 3.31 3.87 4.37 4.37 4.37 4.37 5.37
        تی دقیقه 1 1.2 15 2 2.5 3.2 3.8 3.8 3.8 4.8 4.8
        t max 1.40 1.60 1.90 2.4 3 3.7 4.3 4.3 4.3 5.5 5.5
        تگ های داغ: مهره گرد با شکاف، چین، سازنده، تامین کننده، کارخانه
        دسته بندی مرتبط
        ارسال استعلام
        لطفاً درخواست خود را در فرم زیر ارائه دهید. ما ظرف 24 ساعت به شما پاسخ خواهیم داد.
        X
        ما از کوکی ها استفاده می کنیم تا تجربه مرور بهتری به شما ارائه دهیم، ترافیک سایت را تجزیه و تحلیل کنیم و محتوا را شخصی سازی کنیم. با استفاده از این سایت، شما با استفاده ما از کوکی ها موافقت می کنید. سیاست حفظ حریم خصوصی
        رد کردن قبول کنید