مهره DIN 1804
        • مهره DIN 1804مهره DIN 1804
        • مهره DIN 1804مهره DIN 1804

        مهره DIN 1804

        تامین کننده و سازنده چین Xiaoguo® متخصص در مهره DIN 1804 است که قابل استفاده مجدد است. این محصول مقرون به صرفه است و می تواند به طور موثر هزینه های نگهداری را در طولانی مدت کاهش دهد. در صورت خرید عمده آجیل DIN 1804 قیمت مناسب تری خواهید داشت.

        ارسال استعلام

        توضیحات محصول

        ابزار نصب

        اگرچه مهره DIN 1804 ساختار ساده ای دارد، نصب صحیح کلید تضمین عملکرد قفل آن است.

        (1)ابزار هسته: آچار نوع قلاب (باید استفاده شود)، استاندارد رایج DIN 1810 است.

        اشکال مختلفی وجود دارد:

        1) نوع ثابت با بینی برجسته: مطابق با استاندارد DIN 1810، پرکاربردترین گزینه استاندارد است.

        2) نوع لولایی/قابل تنظیم: یک ابزار چندین مشخصات را پوشش می دهد، مناسب برای موقعیت هایی با شرایط کاری متغیر.

        3) نوع کیت: مانند مجموعه 8 تکه، حاوی مشخصات مختلف، تسهیل مدیریت و استفاده متمرکز.

        (2)ابزار کمکی: آچار گشتاور: برای اطمینان از کنترل دقیق نیروی قفل، بسیاری از آچارهای قلابدار با رابط های زبانه مربعی طراحی شده اند که می توانند به آچارهای گشتاور متصل شوند. (3)لوازم جانبی ضد شل شدن: برای دستیابی به اثر ضد شل شدن، مهره باید با دستگاه ضد شل شدن مربوطه مانند واشر قفل یا چسب قفل کننده نخ جفت شود.

        DIN 1804 Nut

        مراحل نصب

        (1) آماده سازی قبل از نصب

        تایید مشخصات: اطمینان حاصل کنید که مشخصات رزوه مهره DIN 1804 با مشخصات شفت مطابقت دارد.

        بازرسی تمیز کردن: شفت، رزوه های مهره و سطوح جفت کلید را کاملاً تمیز کنید و هرگونه سوراخ یا آسیب را بررسی کنید.

        سطح باربر را تأیید کنید: در هنگام نصب، طرف مهره با سطح ریز ماشینکاری شده باید رو به یاتاقان یا قسمت انتهایی قطعه کار باشد.

        (2) سفت شدن اولیه

        درج دستی: مهره را از قبل با انتهای شفت تراز کنید و سپس آن را با دست به مدت 2 تا 3 دور وارد کنید.

        (3) دستگاه ضد شل شدن

        واشر قفل کننده را طبق طرح ضد شل شدن نصب کنید (زبان داخلی باید با کلید روی شفت هماهنگ باشد) یا چسب قفل کننده نخ را بمالید.

        (4) سفت شدن نهایی

        دماغه بیرون زده آچار قلاب را با احتیاط وارد شیار مهره کنید (توجه داشته باشید که از مشخصات M45x1.5 شروع کنید، مهره دارای 6 شیار است و باید نیروی یکنواخت تری اعمال کنید)

        (5)قفل و تایید

        استفاده از ضد شل شدن مکانیکی (حلقه قفل): پس از سفت کردن مهره، زبانه بیرونی حلقه را خم کرده و در هر شکاف مهره قرار دهید تا قفل مکانیکی حاصل شود.

        استفاده از مواد شیمیایی ضد شل شدن (چسب قفل کننده نخ): بعد از تمیز کردن نخ ها و قبل از سفت کردن آن را بمالید و صبر کنید تا سفت شود.

        بازرسی نهایی: از آچار گشتاور برای بررسی مجدد گشتاور استفاده کنید.

        DIN 1804 Nut

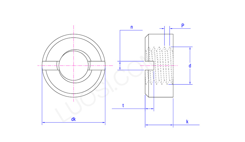
        دوشنبه M3.5 M4 M5 M6 M8 M10 M12 M14 M16 M18 M20
        P 0.6 0.7 0.8 1 1.25 1.5 1.75 2 2 2.5 2.5
        حداکثر dk 7 8 9 11 14 18 21 24 26 29 32
        dk دقیقه 6.64 7.64 8.64 10.57 13.57 17.57 20.48 23.48 25.48 28.48 31.38
        حداکثر k 3 3.5 4.2 5 6.5 8 10 11 12 13 14
        k دقیقه 2.75 3.2 3.9 4.7 6.14 7.64 9.64 10.57 11.57 12.57 13.57
        n دقیقه 1.46 1.46 2.06 2.56 3.06 3.57 4.07 4.07 4.07 4.07 5.07
        n حداکثر 1.71 1.71 2.31 2.81 3.31 3.87 4.37 4.37 4.37 4.37 5.37
        تی دقیقه 1 1.2 15 2 2.5 3.2 3.8 3.8 3.8 4.8 4.8
        t max 1.40 1.60 1.90 2.4 3 3.7 4.3 4.3 4.3 5.5 5.5

        دستورالعمل نصب

        (1) سطوح باربر را اشتباه نگیرید: اطمینان حاصل کنید که سطح d3 ریز ماشینکاری شده در تماس نزدیک است و سطح ناهموار در جهت کار ابزار قرار دارد.

        (2) مقدار گشتاور از اهمیت حیاتی برخوردار است: گشتاور بسیار زیاد ممکن است به رزوه ها آسیب برساند یا باعث تغییر شکل شافت شود. گشتاور ناکافی بالا منجر به نیروی پیش سفت شدن ناکافی می شود و مهره DIN 1804 را مستعد شل شدن می کند.

        (3) استفاده صحیح از ابزار: اطمینان حاصل کنید که اندازه آچار سوکت دقیقاً با قطر بیرونی مهره مطابقت دارد تا از آسیب رساندن به شکاف جلوگیری شود.

        (4)نیروی پیش بارگذاری باید در نظر گرفته شود: هنگامی که برای باربری پیش بار استفاده می شود، لازم است نیروی پیش بار را با استفاده از روش های حرفه ای دقیقاً تنظیم کنید.

        (5)بازرسی منظم: در طول عملیات اولیه تجهیزات یا پس از تعمیرات اساسی، برای جلوگیری از شل شدن مهره ها، لازم است به طور منظم وضعیت قفل شدن مهره ها را بررسی کنید.

        تگ های داغ: مهره DIN 1804، چین، سازنده، تامین کننده، کارخانه
        دسته بندی مرتبط
        ارسال استعلام
        لطفاً درخواست خود را در فرم زیر ارائه دهید. ما ظرف 24 ساعت به شما پاسخ خواهیم داد.
        X
        ما از کوکی ها استفاده می کنیم تا تجربه مرور بهتری به شما ارائه دهیم، ترافیک سایت را تجزیه و تحلیل کنیم و محتوا را شخصی سازی کنیم. با استفاده از این سایت، شما با استفاده ما از کوکی ها موافقت می کنید. سیاست حفظ حریم خصوصی
        رد کردن قبول کنید