صفحه اصلی > محصولات > مهره > مهره گرد > مهره گرد قفل کننده شکاف دار دقیق
      مهره گرد قفل کننده شکاف دار دقیق
      • مهره گرد قفل کننده شکاف دار دقیقمهره گرد قفل کننده شکاف دار دقیق
      • مهره گرد قفل کننده شکاف دار دقیقمهره گرد قفل کننده شکاف دار دقیق
      • مهره گرد قفل کننده شکاف دار دقیقمهره گرد قفل کننده شکاف دار دقیق
      • مهره گرد قفل کننده شکاف دار دقیقمهره گرد قفل کننده شکاف دار دقیق
      • مهره گرد قفل کننده شکاف دار دقیقمهره گرد قفل کننده شکاف دار دقیق

      مهره گرد قفل کننده شکاف دار دقیق

      مهره گرد قفل کننده شکاف دار دقیق راه حل ایمن سازی ترجیحی است که توسط مهندسان برای کاربردهایی که ایمنی در آنها اهمیت دارد و شل شدن ناشی از ارتعاش قابل تحمل نیست، مشخص شده است. برای یک شریک قابل اعتماد در صنعت اتصال دهنده ها که کیفیت و خدمات را در اولویت قرار می دهد، متخصصان در سراسر جهان به کارخانه Xiaoguo® اعتماد دارند.

      ارسال استعلام

      توضیحات محصول

      برای پوسته‌های دستگاه‌های الکترونیکی و قفسه‌های سرور، این مهره‌های گرد قفلی شکاف دار دقیق سوراخ‌دار می‌توانند پانل‌ها و قطعاتی را که نیاز به تعمیر و نگهداری دارند تعمیر کنند. قابل استفاده مجدد هستند و در اثر لرزش شل نمی شوند. طراحی دایره ای و کم حاشیه آنها به این معنی است که با هیچ چیز گره نخواهند خورد.

      برای صنعت الکترونیک، قیمت های ما بسیار رقابتی است. سفارش های بالای 5000 دلار می توانند از خدمات ارسال رایگان بهره مند شوند. ما معمولا ترجیح می دهیم از یک پوشش سیاه غیر رسانا استفاده کنیم. ما تحویل کالا را به سرعت از طریق مراکز منطقه ای تکمیل می کنیم.

      این مهره ها برای محافظت از آنها در کیسه های ایمن ضد الکتریسیته ساکن و قابل آب بندی مجدد قرار می گیرند. قبل از حمل و نقل، اندازه آنها و ضخامت پوشش را بررسی می کنیم.

      جزئیات محصول

      در صنعت راه‌آهن، این مهره‌های گرد قفلی شکافدار دقیق برای باژها و سیستم‌های تثبیت مسیر اهمیت زیادی دارند. نیاز به مقاومت در برابر ارتعاشات قوی و بارهای مکرر دارد و نیازهای استحکام را برای استفاده طولانی مدت برآورده می کند. این مهره ها بر اساس استانداردهای سخت گیرانه تولید می شوند و ابعاد شکاف دقیق آنها برای تسهیل سیم کشی ایمن طراحی شده است.

      ما قیمت های رقابتی برای سفارشات دولتی و راه آهن و تخفیف برای خرید عمده ارائه می دهیم. آنها معمولا تحت درمان اکسید سیاه قرار می گیرند. ما از نزدیک با تیم‌های لجستیک حرفه‌ای کار می‌کنیم تا نه تنها از تحویل به موقع کالا اطمینان حاصل کنیم، بلکه از ردیابی هم‌زمان کل زنجیره تدارکات نیز پشتیبانی می‌کنیم.

      گواهینامه استاندارد صنعت راه آهن بین المللی IRIS را دریافت کرده است. هر دسته از محصولات را می توان به طور کامل ردیابی کرد و کیفیت پایه مشخصی دارد.

      درمان ضد خوردگی

      ما درمان‌های سطحی مختلفی را برای محصولات مهره‌های گرد قفل دار شکافدار دقیق خود از جمله آبکاری روی، گالوانیزه گرم و پوشش هندسی ارائه می‌کنیم. این روش‌ها به طور قابل توجهی مقاومت در برابر خوردگی هر مهره گرد قفل دار شکافدار دقیق را افزایش می‌دهند و عمر مفید آن را در محیط‌های چالش‌برانگیز افزایش می‌دهند. پوشش مناسب مهره گرد قفل کننده شکافدار دقیق شما به شرایط عملیاتی خاص شما بستگی دارد.


      Precision Notched Slotted Locking Round Nut



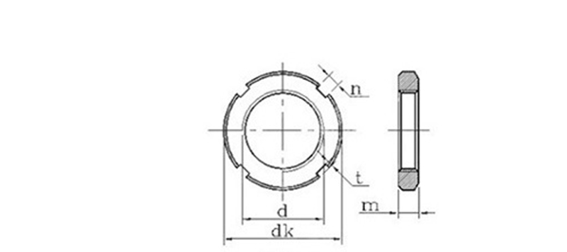
      d*P
      dk m n t 1000

      کیلوگرم

      d*P
      dk m n t 1000

      ≈ کیلوگرم
      الگوی از حداکثر دقیقه حداکثر دقیقه الگوی دقیقه
      M10*1 22 8 4.3 4 2.6 2 16.82 M64*2 95 12 8.36 8 4.25 3.5 351.9
      M12 * 1.25 25 21.58 M65*2 95 342.4
      M14 * 1.5 28 26.82 M68*2 100 10.36 10 4.75 4 380.2
      M16 * 1.5 30 5.3 5 3.1 2.5 28.44 M72*2 105 15 518
      M18 * 1.5 32 31.19 M75*2 105 477.5
      M20 * 1.5 35 37.31 M76*2 110 562.4
      M22 * 1.5 38 10 54.91 M80*2 115 608.4
      M24 * 1.5 42 68.88 M85*2 120 640.6
      M25 * 1.5 42 68.88 M90*2 125 18 12.43 12 5.75 5 796.1
      M27 * 1.5 45 75.49 M95*2 130 834.7
      M30*1.5 48 82.11 M100*2 135 873.3
      M33 * 1.5 52 6.3 6 3.6 3 93.32 M105*2 140 895
      M35 * 1.5 52 84.99 M110*2 150 14.43 14 6.75 6 1076
      M36 * 1.5 55 100.3 115*2 155 22 1369
      M39 * 1.5 58 107.3 M120*2 160 1423
      M40 * 1.5 58 109.5 M125*2 165 1477
      M42 * 1.5 62 121.8 M130*2 170 1531
      M45 * 1.5 68 153.6 M140*2 180 26 1937
      M48 * 1.5 72 12 8.36 8 4.25 3.5 201.2 M150*2 200 16.43 16 7.9 7 2651
      M50*1.5 72 186.8 M160*3 210 2810
      M52 * 1.5 78 238 M170*3 220 2970
      M55*2 78 214.4 M180*3 230 30 3610
      M56*2 85 290.1 190*3 240 3794
      M60*2 90 320.3 M200*3 250 3978

      تگ های داغ: مهره گرد قفل کننده شکاف دار دقیق
      دسته بندی مرتبط
      ارسال استعلام
      لطفاً درخواست خود را در فرم زیر ارائه دهید. ما ظرف 24 ساعت به شما پاسخ خواهیم داد.
      X
      We use cookies to offer you a better browsing experience, analyze site traffic and personalize content. By using this site, you agree to our use of cookies. Privacy Policy
      Reject Accept